LM358是将两个运算放大器集成在一起的集成电路,因此称为双运算集成电路。其的封装形式有塑封8引线双列直插式、贴片式和圆形金属壳封装等。普遍应用于信号放大、电压比较电路中。下文介绍基于LM358的声控延时开关电路设计
1.LM358特性
LM358的内部功能框图及各引脚功能如图1所示,LM358内部的两个运放电路a和b各自独立,互不影响,因此应用灵活。

图1 LM358的内部功能框图及引脚功能
在应用LM358时,通常有单电源供电和双电源供电两种供电形式,分别如图2(a)和(b)所示。

图2 LM358应用时的两种供电形式
单电源供电时,电阻R2、R3阻值应相等,两个电阻的取值范围为30~100kΩ。参看图2(a),这时运算放大器的增益由R4/R1的比值决定。双电源供电时,电阻R1,R2阻值应相等。参看图2(b),这时运算放大器的增益由R3/R1的比值决定??杉?,LM358无论应用于单电源供电,还是应用于双电源供电,其运算放大器的增益均可根据制作中的要求设计相关电阻器的阻值来确定。
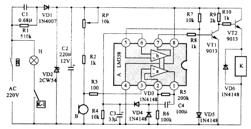
2.声控延时开关电路设计
2.1电路功能
声控延时开关电路能通过声音来控制电气设备的开或关,还有延时功能。
2.2电路组成
用LM358制作的声控延时开关电路如图3所示,主要由电源电路、声音信号拾取电路、音频信号处理电路、驱动电路、控制电路等组成。

图3 LM358制作的声控延时开关电路
电源电路由220V电源、开关S、电阻器R1、降压电容器C1、整流二极管VD1、稳压二极管VD2、滤波电容器C2组成。
声音信号拾取电路由可调电位器RP,电阻器RI、话简B组成。
音频信号处理电路由LM358、电阻器R4~R7.电容器C3和C4、二极管VD3~VD5组成。
驱动电路由电阻器R8~R9、三极管VTI和VT2组成。
控制电路由电磁继电器K、二极管VD6组成。
2.3工作原理
在用LM358制作的声控延时开关电路接通220V交流电源电压后,220V交流电压经降压电容器C1降压,整流二极管VDI整流,稳压二极管VD2稳压。滤波电容器C2滤波后,在C2上取得上正下负约6V的低压直流电源,供以LM358为核心的声控开关电路使用。
在图3中,LM358内部运放a被设计为一个放大器,运放b被设计为一个电压比较器。当声控延时开关处于无声响环境时,话筒B处于静止工作状态,集成电路LM358的3脚无音频信号(交流信号)输人,不能触发LM358内部运算放大器a工作,LM358的1脚无交流信号输出,也无信号经电容器C3、二极管VD4送到LM358的6脚,电压比较器b的反向输入端便经电阻器R4接地线,偏置为低电压,而电压比较器b的同向输人端就由电阻器R7、二极管VD5偏置为0.7V,于是控制LM358C的7脚输出高电压。经电阻R8给三极管VT1加正向偏置电压,使VT1处于饱和导通状态,三极管VT2因无偏置电压而截止,电磁继电器K不动作,其中触点开关K-1断开,灯泡H不亮。
当有响声时,话筒B便将声音信号转换为音频电信号,经R1送到集成电路LM358的3脚,进人运算放大器a的正向输入端,经运算放大器a放大后,从a输出端LM358的1脚输出音频交流信号,再经C4、VD3、VD4、C3组成的倍压整流电路后,变成高电压信号。由LM358C的6脚送到电压比较器b的反向输人端。由于R7、VD5分压通过LM358C的5脚给电压比较器b的同向输入端提供的偏置电压只有0.7V,就使得比较放大器b的输出端通过LM358的7脚输出低电压,此时的三极管VTI因无偏置电压而截止,三极管VT2则由于电阻器R9、R10正偏置而导通电流,电磁继电器K得电使其中的开关K-2吸合,于是灯泡H点亮。
另外,适当选择电容器C3和电阻器R4的值,可使LM358的6脚输入端的高电压保持一段时间,即可以控制延长灯泡点亮的时间。电容器C3的容量越大,电阻器R4的阻值越大,延时时间也就越长。
若将该声控延时开关安装于楼梯,则可实现人走完楼梯后自动关灯。
3.电路元件选择
在制作图3中声控延时开关时,A选用LM358型双运算放大集成电路,可与NE532、μPC358C、μPC1251、TA75358P、HA17358、HA17358、GL358、AN1358S、AN6532、MB47358、LA6358、M5223、BA10358等型号集成电路直接代换使用。VI1、VT2选用9013型硅NPN三极管。VD1选用反向耐压为1000V的1N4007型硅整流二极管;VD2选用稳压值为6V的2CW54型稳压二极管;VD3~VD6均可选用1N4148型硅开关二极管。
R1选用RJ-1W型金属膜电阻器;R2~R10均选用RJ-1/8W金属膜电阻器。RP选用WH5型小型合成碳膜可调电位器。C1要求选用CBB-630V聚丙烯电容器,C2、C3、C4均选用CD11-16电解电容器。
B选用CRZ2-113F型驻极体电容话简。K选用4098或JZC-22F型工作电压为6V的小型电磁继电器。
4.后期调试
制作完图中的声控延时开关后,要试验性地调整可调电位器RP,调整方法为:在普通声强的情况下。该开关不动作;在有较响的声音时,使声控延时开关能够起控。反复调整使两种情况兼顾即可。
电话:18923864027(同微信)
QQ:709211280
〈烜芯微/XXW〉专业制造二极管,三极管,MOS管,桥堆等,20年,工厂直销省20%,上万家电路电器生产企业选用,专业的工程师帮您稳定好每一批产品,如果您有遇到什么需要帮助解决的,可以直接联系下方的联系号码或加QQ/微信,由我们的销售经理给您精准的报价以及产品介绍