LM358是一种应用及其广泛的双运算放大器,它具有价格低,电压范围广等优势。本文将介绍由LM358组成的电路设计。
一、1kHz文氏桥信号发生器
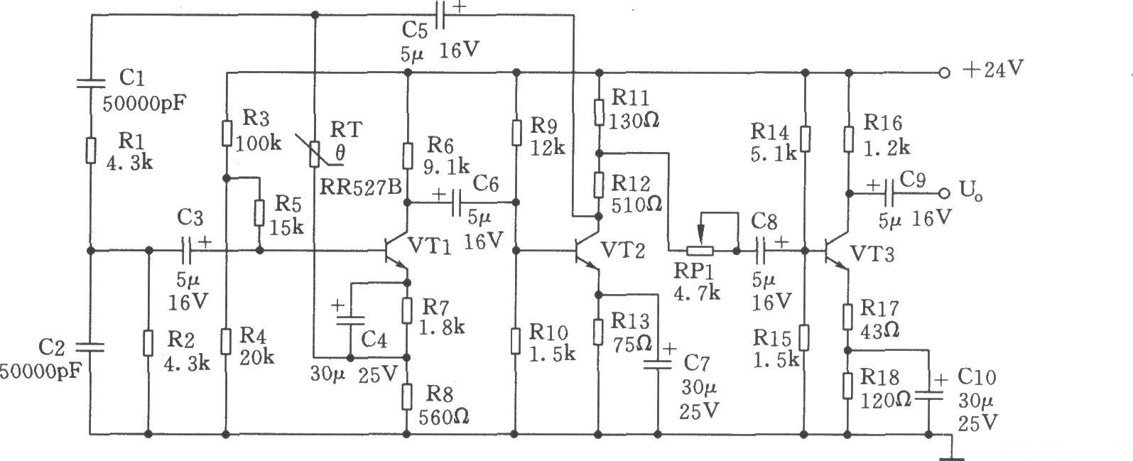
由LM358组成的1kHz文氏桥信号发生器

图1 LM358的1kHz文氏桥信号发生器电路图
如图1是由LM358双运算放大器及Rl~R15,Cl~C5等元件组成的lkHz信号发生器。文氏桥(C2、C3、R4和R6)产生的lkHz弱信号,经Al放大,然后,通过A2、A3两个运放用作缓冲放大,这两个运放输出反相,因而使单端转换成双端平衡输出。
二、单电源变双电流电路
用LM358构成的单电源变双电流电路
利用运放组成的单电源变双电流电路如图2所示,可将40V直流电压变换成±15V直流电压。当负载电流在200mA时,电压稳定度不低于0.1%。电路由分压器、电压跟随器和并联调整器组成。R1、Rw、R3组成分压器,将40V直流电进行分压,由Rw动臂取出送入运放的同相输入端。由于运放为反相输入端与地线相连接,则运放通过VT1、VT2的b-e结形成电压跟随器电路。VT1、VT2分别为-15V和+15V电压调整管。运放输出在R3上产生的压降作为VT1、VT2的发射结偏置电压,使VT1、VT2处于导通状态,调节RW的动臂可使输出的正负电压得一调整。使用该电路时输入的直流电源必须悬浮,即不能有任何一端接地。

图2 由LM358组成的单电源变双电流电路图
三、全自动交流稳压电源电路
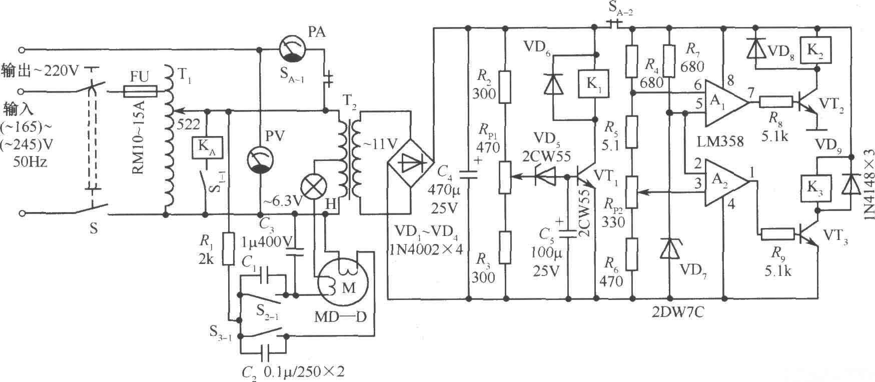
用LM358的全自动交流稳压电源电路
这是一种由交流伺服系统控制的全自动交流稳压电源。当输入电压或负载改变而引起输出电压变化时,它能迅速自动调整,使输出电篮稳定在220V。它适用的交流输入电压变化范围为165~245V,最大输出功率为3000W,最大输出电流可达3.6A,电源工作效率大于98%。其电路如图3所示。

图3 由LM358的全自动交流稳压电源电路图
四、大电流线性分压器电路
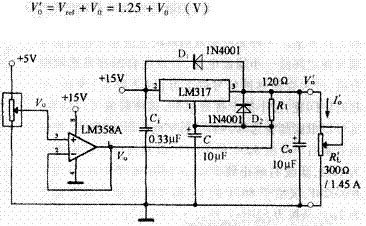
用LM317和LM358构成的大电流线性分压器电路
LM358为单电源通用集成运放,LM317为正电压可调集成三端稳压器。LM358接成电压跟随器,输出电压跟随分压器的输出电压V0。电压跟随器的输入电阻Ri≥400MΩ(Ri相当于分压器的负载电阻RL),输出电阻R0≤1Ω。满足(RL/R)→∞的条件(R为数字电位器的额定阻值),故从根本上消除了传感器负载特性的非线性。
根据LM317的内部电路结构和工作原理可知,稳压电路的输出电压可写为:

图4 大电流线性分压器电路
因LM317具有优良的稳压性能(电流调整率约为0.3%),故允许负载回路电流I′0在零到LM317的最大输出电流之间变化。常见的LM317的最大输出电流在100mA至数安培不等(与LM317的具体型号有关)。
综上,本设计既从根本上消除了分压器负载特性的非线性,又很好地解决了分压器负载能力弱的问题。
在图4中,电容C1和C0分别为稳压电路的输入电容和输出电容;二极管D1、D2均为LM317的?;ざ?电容C用于滤除电压跟随器输出电压中的纹波和干扰。
测试表明:该电路充分利用了集成三端稳压器稳压性能好、输出电流大的优点,输出50mA电流时的最大非线性误差只有0.4%(用LM317T)和0.7%(用LM317L),作为大电流线性分压器具有良好的性能。
五、红外线探测报警器
该报警器能探测人体发出的红外线,当人进入报警器的监视区域内,即可发出报警声,适用于家庭、办公室、仓库、实验室等比较重要场合防盗报警。

图5 红外线探测报警器电路图
该装置电路原理见图5。由红外线传感器、信号放大电路、电压比较器、延时电路和音响报警电路等组成。红外线探测传感器IC1探测到前方人体辐射出的红外线信号时,由IC1的②脚输出微弱的电信号,经三极管VT1等组成第一级放大电路放大,
再通过C2输入到运算放大器IC2中进行高增益、低噪声放大,此时由 IC2①脚输出的信号已足够强。IC3作电压比较器,它的第⑤脚由 R10、VD1 提供基准电压,当IC2①脚输出的信号电压到达IC3的⑥脚时,两个输入端的电压进行比较,此时IC3的⑦脚由原来的高电平变为低电平。IC4为报警延时电路,R14和C6组成延时电路,其时间约为 1 分钟。当 IC3 的⑦脚变为低电平时,C6通过VD2 放电,此时IC4的②脚变为低电平,它与IC4的③脚基准电压进行比较,当它低于其基准电压时,IC4的①脚变为高电平,VT2导通,讯响器BL通电发出报警声。人体的红外线信号消失后,IC3的⑦脚又恢复高电平输出,此时VD2截止。由于C6两端的电压不能突变,故通过R14向C6缓慢充电,当C6两端的电压高于其基准电压时,IC4 的①脚才变为低电平,时间约为1分钟,即持续1分钟报警。
由VT3、R20、C8组成开机延时电路,时间也约为1分钟,它的设置主要是防止使用者开机后立即报警,好让使用者有足够的时间离开监视现场,同时可防止停电后又来电时产生误报。
该装置采用9-12V直流电源供电,由T降压,全桥U整流,C10滤波,检测电路采用IC5 78L06供电。本装置交直流两用,自动无间断转换。
六、高端电流检测电路
直接把取样电阻的电压送入单片机AD,这样有两个不好的地方,第一,电流小的时候取样电阻两端的电压小,AD转换器可能需要较高的灵敏度才能检测到、第二,由于是低端检测,电源输出和输入不能共地,还会影响到输出电压的稳定(稳压输出=取样电阻的电压+实际输出电压)。
所以就设计了高端检测电路,如下:

图6 高端电流检测电路图
里面有个用蓝色框框围着的电阻R9在实际应用中不能缺少,不然LM358至少会输出0.7V的电压,,加上这颗电阻后没有电流的时候就是0v了,这个问题困扰了我一天,不过这个电路还有缺陷,如果输出电压高的话,当没有电流的时候LM358依然会有输出。
图中用7809代替了实际的3R33稳压电路,3R33的电压取样电路要放在取样电阻后面,这样输出才是稳定的。
实际运行情况

图7 实际运行图
电话:18923864027(同微信)
QQ:709211280
〈烜芯微/XXW〉专业制造二极管,三极管,MOS管,桥堆等,20年,工厂直销省20%,上万家电路电器生产企业选用,专业的工程师帮您稳定好每一批产品,如果您有遇到什么需要帮助解决的,可以直接联系下方的联系号码或加QQ/微信,由我们的销售经理给您精准的报价以及产品介绍