差分放大电路
差分放大电路利用电路参数的对称性和负反馈作用,有效地稳定静态工作点,以放大差模信号抑制共模信号为显著特征,广泛应用于直接耦合电路和测量电路的输入级。
但是差分放大电路结构复杂、分析繁琐,特别是其对差模输入和共模输入信号有不同的分析方法,难以理解,因而一直是模拟电子技术中的难点。
差分放大电路:按输入输出方式分:有双端输入双端输出、双端输入单端输出、单端输入双端输出和单端输入单端输出四种类型。按共模负反馈的形式分:有典型电路和射极带恒流源的电路两种。
(a)射极偏置差放
(b)电流源偏置差放
差放有两个输入端子和两个输出端子,因此信号的输入和输出均有双端和单端两种方式。
双端输入时,信号同时加到两输入端;单端输入时,信号加到一个输入端与地之间,另一个输入端接地。双端输出时,信号取于两输出端之间;单端输出时,信号取于一个输出端到地之间。
因此,差分放大电路有双端输入双端输出、单端输入双端输出、双端输入单端输出、单端输入单端输出四种应用方式。上面两个电路均为双端输入双端输出方式。
(a)电阻Re是T1和T2两管的公共射极电阻,或称射极耦合电阻,它实际上就是在工作点稳定电路中植入的射极电阻,只是此处将两个电阻的射极电阻合并成一个Re,所以经它的作用是稳定静态工作点,对零漂做进一步的抑制。
电阻Re常用等效内阻极大的恒流源I0来代替,以便更有效地提高抑制零漂的作用。
负电源用来补偿射极电阻Re两端的直流压降,以避免采用电压过高的单一正电源,并可扩大输出电压范围,使两基极的静态电位为零,基极电阻Rb通常为外接元件,也可不用,其作用是限制基极静态电流并提高输入电阻。
差分放大器工作状态

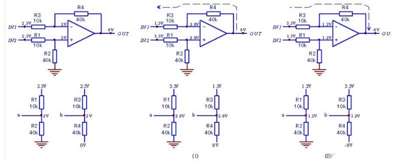
上图a电路,是输入信号IN1=IN2的状态。
(1)因输入端的“虚断”特性,同相输入端为高阻态,其输入电压值仅仅取决于R1、R2分压值,为2V。同相输入端的2V电压可以看作成为输入端比较基准电压;
(2)因两输入端的“虚短”特性,可进而推知其反相输入端,即R3、R4串联分压电路,其b点=a点=2V。这是反馈电压。放大器的控制目的是使反馈电压等于基准电压;
(3)由R1=R3,R2=R4条件可知,放大器输出端只有处于“虚地”状态,即输出端为0V,才能满足b点=a点=2V,这可以由此导出差分放大器的一个工作特征。
上图b中的(1)电路,是IN1》IN2的状态。
(1)此时因同相输入端电压高于反相输入端,输出端电压往正方向变化,其R3、R4偏置电路中的电流方向如图所示;
(2)由R3、R4的阻值比例可知,R3两端电压降为(2.8V-1.5V)/10k,则R4两端电压降为1.3V×4=5.2V,输出端电压为2.8V+5.2V=8V。
(4)此时的输入电压差为IN1-IN=2V,输出电压为8V。显然,该差分放大器的差分电压放大倍数=R4/R3是4倍压差分放大器。由此可以推知差分放大器的差分输入放大倍数为(1N1-IN2)×R4/R3=-OUT
上图b中的(2)电路,是IN1《IN2的状态。
此时因反同相输入端电压高于同相输入端,输出端电压往负方向变化,其R3、R4偏置电路中的电流方向如图所示。
同样,依R3、R4的阻值比例可推知,在此输入条件下,输出端电压为-8V,电路依然将输入差分信号放大了4倍。
从电路的工作(故障)状态判断来说,直接测量R3、R4串联电路的分压状态,只要R3、R4串联分压是成立的,则电路就大致上(起码运放芯片)就是好的;
电路的电压放大倍数也由此得出;只要测量输入电压差(R1、R3左端电压差),再测量输出端电压进行比较,则外围偏置电路的好坏。
〈烜芯微〉专业制造二极管,三极管,MOS管,桥堆等20年,工厂直销省20%,上万家电路电器生产企业选用,专业的工程师帮您稳定好每一批产品,如果您有遇到什么需要帮助解决的,可以点击右边的工程师,或者点击销售经理给您精准的报价以及产品介绍
电话:18923864027(同微信)
QQ:709211280〈烜芯微〉专业制造二极管,三极管,MOS管,桥堆等20年,工厂直销省20%,上万家电路电器生产企业选用,专业的工程师帮您稳定好每一批产品,如果您有遇到什么需要帮助解决的,可以点击右边的工程师,或者点击销售经理给您精准的报价以及产品介绍