开关电源作为产品系统供电核心,在设计电源时需外加?;さ缏芬匀繁5缭次榷ü┑?,其中TVS(瞬态抑制二极管)与MOV(压敏电阻)尤为关键。设计电源外围电路时MOV和TVS该如何选型?本文为你解答。
在开关电源应用中,为确??氐缭吹墓┑缥榷ê偷缭幢旧淼陌踩嵘杓埔恍┩馕У缏啡ケVた氐缭丛谑褂霉讨胁槐凰鸹?。这些外围电路包括浪涌冲击保护电路、防静电?;さ缏?、传导骚扰、脉冲群抗扰电路。本文将对浪涌冲击?;さ缏分惺褂玫难姑舻缱鐼OV和TVS瞬态抑制二极管的使用和选型方法展开论述。
如图1所示是一个较为完整的EMC推荐电路:包括浪涌保护,传导骚扰,脉冲群抗扰等电路。


图1
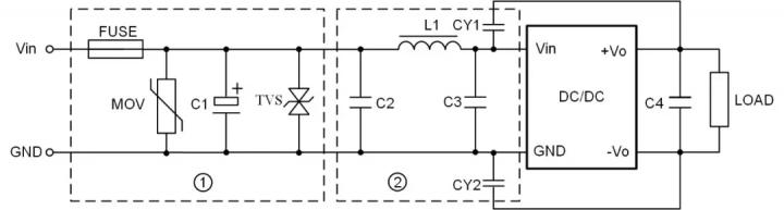
如图2所示是一个独立的DC-DC电源防浪涌冲击、防静电?;さ缏贰?br />


图2
压敏电阻MOV的使用和选型
压敏电阻应该在其本身额定的参数条件之内工作,否则有可能导致压敏电阻发热劣化、甚至击穿的后果。压敏电阻的失效模式主要为短路,如果短路时间太长,会发生爆炸、起火、损坏周边的器件。压敏电阻具有价格便宜,抗浪涌能力强,电压范围大的特点,拥有相当广泛的运用。总结选型方法有以下几点可供参考:
1、根据压敏电压(UN)的选取
选取压敏电阻器的时候,首先要考虑到电网或者电路工作电压的波动幅度,选取压敏电阻的压敏电压时,要留有足够的余量?;挂悸堑搅┘釉谘姑舻缱枇蕉说牡缭吹缪?,选用压敏电压高一点的压敏电阻,可以降低故障率,延长使用寿命,但也有一个缺点就是残留的电压会增大。
2、根据通流量(IP)的选取
压敏电阻的标称放电电流应该大于要求承受的浪涌电流或者可能出现的最大浪涌电流。标称放电电流应该按照压敏电阻浪涌寿命次数定额曲线中冲击10次以上的数值进行计算,约为最大冲击通流量的30%(即0.3IP)左右。
3、根据箝位电压(VC)的选取
压敏电阻的箝位电压必须小于被保护的部件或设备能承受的最大电压(即安全电压)。
在直流回路中要求UN≥(1.8~2)Vdc,交流回路中则要求UN≥(2~2.5)Vac,而在信号回路中则需满足UN≥(1.2-1.5)Vmax。同时在选择时注意避免残留电压过高损坏被保护电路即VC值选择不能过高。为了解决压敏电阻在动作后存在过高的残留电压VC,在设计电路的时候往往会在MOV之后并联一个电容和一个TVS管来吸收和卸放残留电压确保电路中元器件不被损坏。
TVS瞬态抑制二极管的使用和选型
TVS瞬态电压抑制器是一种二极管形式的高效能保护器件,具有极快的响应时间和相当高的浪涌吸收能力。当TVS的两端收到反向瞬态过压脉冲时,能以极快的速度把两端的高阻抗变为低阻抗,以吸收瞬间大电流,并将电压箝制在预定数值,从而有效?;さ缏分械脑骷苊馐艿剿鸹?。所以TVS瞬态抑制二极管被广泛应用与浪涌冲击和防静电冲击电路中。下面就如何选型正确的TVS管给出解释。
TVS瞬态抑制二极管按照极性划分可分为单极性TVS和双极性TVS管,如图3所示为两种不同TVS管的V-I特性曲线图:


图3
TVS瞬态抑制二极管可以在多种电路场合下使用,起到保护电路元器件的作用,总结选型方法有以下几点可供参考:
1、首先确定被?;さ缏返淖畲笾绷骰蛘吡ぷ鞯缪埂⒌缏返亩疃ū曜嫉缪购?ldquo;高端”容限。
2、TVS额定反向关断VRWM应大于或者等于被?;さ缏返淖畲蠊ぷ鞯缪?。若选用的VRWM太低,器件可能进入雪崩或因反向漏电流太大影响电路的正常工作。
3、TVS的最大箝位电压VC应小于被?;さ缏返乃鸹档缪?。
4、在规定的脉冲持续时间内,TVS的最大峰值脉冲功耗PM必须大于被保护电路内可能出现的峰值脉冲功率。在确定了最大箝位电压后,其峰值脉冲电流应大于瞬态浪涌电流。
5、对于数据接口电路的?;ぃ剐胱⒁庋∪『鲜实牡缛軨的TVS器件。
6、根据用途选用TVS的极性及封装结构。交流电路选用双极性TVS较为合适,多线?;ぱ∮肨VS阵列更为有利。
开关电源使用中,浪涌?;さ缏泛头谰驳绫;さ缏肥潜夭豢缮俚拇嬖凇T谏杓票;さ缏返氖焙蛲岚蜒姑舻缱鐼OV和TVS瞬态抑制二极管一起使用,从而起到多重保护的作用。如图2所示就是一种浪涌保护电路和防静电?;さ缏贰M局惺淙牒褪涑龆硕际褂玫搅薚VS瞬态抑制二极管,输出使用TVS是为了确保输出端因静电或者用电端产生的浪涌电压导致开关电源输出端的元器件的损坏。
烜芯微专业制造二极管,三极管,MOS管,桥堆等20年,工厂直销省20%,4000家电路电器生产企业选用,专业的工程师帮您稳定好每一批产品,如果您有遇到什么需要帮助解决的,可以点击右边的工程师,或者点击销售经理给您精准的报价以及产品介绍
烜芯微专业制造二极管,三极管,MOS管,桥堆等20年,工厂直销省20%,4000家电路电器生产企业选用,专业的工程师帮您稳定好每一批产品,如果您有遇到什么需要帮助解决的,可以点击右边的工程师,或者点击销售经理给您精准的报价以及产品介绍