带通滤波器(band-pass filter)是指能通过某一频率范围内的频率分量、但将其他范围的频率分量衰减到极低水平的滤波器。
1.带通滤波器电路作用
带通滤波器是一个允许特定频段的波通过同时屏蔽其他频段的设备。比如RLC振荡回路就是一个模拟带通滤波器。
带通滤波器是指能通过某一频率范围内的频率分量、但将其他范围的频率分量衰减到极低水平的滤波器,与带阻滤波器的概念相对。一个模拟带通滤波器的例子是电阻-电感-电容电路(RLC)。这些滤波器也可以用低通滤波器同高通滤波器组合来产生。
顾名思义,带通滤波器可以理解成为一个电子接口单元,这个单元可以将特定频率范围内的信号传输过去,而阻断这个频率范围以外的信号,达到选择性传输的目的。
一个带通滤波器是一个只有在特定频段的频率传递信号衰减这一频段以外的所有信号的同时,其目的是的电路。在一个带通滤波器的重要参数,高,低截止频率( F H 和f 升),带宽(BW),中心频率 f C,中心频率增益,选择性或Q基本上有两个带通滤波器,即广通带和窄的带通滤波器的类型号不幸的是,两者之间的分线没有设置。然而,一个带通滤波器的定义是很宽的带通图的优点或品质因数Q值小于10,而与Q带通滤波器> 10称为窄的带通滤波器。Q是一个选择性的措施,这意味着更高的Q值更有选择性的过滤器,或窄带宽(BW)。Q,3dB带宽,和中心频率f之间的关系 c 是由方程对于一个宽的带通滤波器的中心频率可以被定义为其中f H 和f大号分别是一个狭窄的带通滤波器,中心频率f的输出电压峰彗星Hz.In的高,低截止频率。
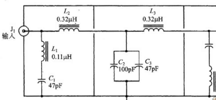
2.带通滤波器电路图

3.带通滤波器电路原理
一个理想的带通滤波器应该有一个完全平坦的通带,在通带内没有放大或者衰减,并且在通带之外所有频率都被完全衰减掉,另外,通带外的转换在极小的频率范围完成。
实际上,并不存在理想的带通滤波器。滤波器并不能够将期望频率范围外的所有频率完全衰减掉,尤其是在所要的通带外还有一个被衰减但是没有被隔离的范围。这通常称为滤波器的滚降现象,并且使用每十倍频的衰减幅度的dB数来表示。通常,滤波器的设计尽量保证滚降范围越窄越好,这样滤波器的性能就与设计更加接近。然而,随着滚降范围越来越小,通带就变得不再平坦,开始出现“波纹”。这种现象在通带的边缘处尤其明显,这种效应称为吉布斯现象。
除了电子学和信号处理领域之外,带通滤波器应用的一个例子是在大气科学领域,很常见的例子是使用带通滤波器过滤最近3到10天时间范围内的天气数据,这样在数据域中就只保留了作为扰动的气旋。
在频带较低的剪切频率f1和较高的剪切频率f2之间是共振频率,这里滤波器的增益最大,滤波器的带宽就是f2和f1之间的差值。
带通滤波器是指能通过某一频率范围内的频率分量、但将其他范围的频率分量衰减到极低水平的滤波器,与带阻滤波器的概念相对。一个模拟带通滤波器的例子是电阻-电感-电容电路(RLC)。这些滤波器也可以用低通滤波器同高通滤波器组合来产生。
烜芯微专业制造二极管,三极管,MOS管,桥堆等20年,工厂直销省20%,4000家电路电器生产企业选用,专业的工程师帮您稳定好每一批产品,如果您有遇到什么需要帮助解决的,可以点击右边的工程师,或者点击销售经理给您精准的报价以及产品介绍
烜芯微专业制造二极管,三极管,MOS管,桥堆等20年,工厂直销省20%,4000家电路电器生产企业选用,专业的工程师帮您稳定好每一批产品,如果您有遇到什么需要帮助解决的,可以点击右边的工程师,或者点击销售经理给您精准的报价以及产品介绍