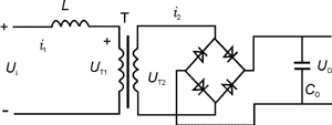
电源系统中,电感L与高频变压器T的设计是关键。从图2看出,逆变电路的负载只有电感L及变压器T的原边,当功率管导通,直流电压Ui加于图4所示位置时,电感上电压为Ui-UT1,则变压器原边电流i1=(Ui-UT1)t/L


图全桥型IGBT电源计算电路
式中,UT1为输出电压Uo(高压整流桥导通时就是UT2)折算到变压器原边的值,UT1=U0/n,n为变压器副、原边匝比,又△Uo=(1/C0), i2=i1/n
考虑到输出电压在逐步上升,而电流i1的幅值在不断下降,计算过程应该是一个迭代过程。
烜芯微专业制造二极管,三极管,MOS管,桥堆等20年,工厂直销省20%,4000家电路电器生产企业选用,专业的工程师帮您稳定好每一批产品,如果您有遇到什么需要帮助解决的,可以点击右边的工程师,或者点击销售经理给您精准的报价以及产品介绍
烜芯微专业制造二极管,三极管,MOS管,桥堆等20年,工厂直销省20%,4000家电路电器生产企业选用,专业的工程师帮您稳定好每一批产品,如果您有遇到什么需要帮助解决的,可以点击右边的工程师,或者点击销售经理给您精准的报价以及产品介绍