中频感应加热电源在目前的工业制造领域应用十分广泛,也是很多工程师和厂家的重点关注方向之一。在今明两天的方案分享中,我们将会通过一个系列分享的形式,为大家分享一种全新的中频感应加热电源设计方案。今天要为大家分享的是这种新型感应加热电源的主电路设计方案,大家一起来看看吧。
在本文所设计的这种全新的数字型150kW/10kHz中频感应加热电源中,其系统主要采用了IGBT桥式逆变器的串联谐振式工作模式。在本方案中,我们在主系统中利用了数字锁相环DPLL技术,不但提高了系统频率跟踪的稳定性和可靠性,解决了模拟控制中参数随温度漂移的问题,而且还具备控制灵活,电路简单,高效节能。
主电路系统
依据目前的市场需求和中频感应加热电源的基础设计需要,在本方案中,我们所设计的感应加热设备主电路系统中,额定输出功率P=150kW,输出频率10kHz,输入电压为三相AC380V。依据逆变原理和传统模拟系统存在的缺欠,我们设计了一种10kHz/150kW串联谐振感应加热电源设备的主电路,这一系统采用电流调节和功率调节组成双闭环功率控制电路,具有调压范围宽、输出稳定性好等优点。


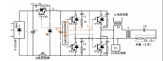
图1 10kHz/150kW的感应加热电源主电路
在上述要求和设计思路下,我们所完成的数字式中频感应加热系统的主电路结构,如上图1所示。从图1中我们可以看到,在这一主电路系统中,三相AC380V/50Hz经进线电抗器后加到三相不可控整流桥,输出的直流电压Ud经电解电容Cd滤波成平直的电压,通过直流斩波功率控制电路后,再加到由四个IGBT和四个反并联二极管组成的单相全桥逆变器。逆变器输出的电压U0经中频变压器T隔离并降压后送到由补偿电容C0和负载感应器组成的串联谐振电路的两端。
在这一基于DSP的数字式中频感应加热系统中,我们所设计的这一整流电路采用三相不控桥,不需要额外的控制电路与晶闸管相控整流电路相比较,提高了功率因数,减小了输入侧的EMI,且其输出电压值适中稳定。由于采用了负载谐振技术,因此为保证主开关管工作于准零电流状态(ZCS),输出功率的调节只能依靠改变逆变桥的供电电压来实现,即在直流侧采用Buck斩波电路通过改变占空比D的大小来调节直流输出电压,实现对输出功率的调节。在开关管VT0导通期间,二极管D0反偏,输入提供能量给电感,同时提供能量给负载。当开关管关断时,电感电压使二极管D5导通,电感中存储的能量传送给负载。采用电感L1和电容Cd0组成低通滤波器可以得到平稳的输出电压Udo,此方法控制简单方便,且工作频率与谐振频率可以同步,功率因数高,无功损耗小。
在图1所展示的这一10kHz/150kW的感应加热电源主电路系统中,我们可以非常清晰的看到,该系统中的逆变电路是由全控器件IGBT模块构成的串联谐振式逆变器。在这里我们选用西门子BSM300GB120B进行两单元并联,两组全控器件VT1、VT4和VT2、VT3交替导通。输出负载所需要的中频交流电压U0,由于串联谐振式逆变器的直流电源回路存在无功电流。该无功电流随逆变器的输出功率因数减小而增大。因此,需并接高频滤波电容器Cd0流通无功电流。IGBT逆变器控制方式是采用移相控制两个半桥电路,各自按照180°方波控制(上下两个桥臂互补通断)。但两半桥的控制方波在相位上相差一定角度θ(0°≤θ小于等于180°)负载上得到输出电压波形为正负对称θ宽的方波。
在这一中频感应加热电源的主电路系统设计过程中,为了有效减小逆变管的开关损耗,我们所设计的逆变器的工作频率应当大于其谐振频率。若逆变器的工作电压不变,则在谐振点附近的输出功率最大。当提高逆变器工作频率时,负载等效阻抗增高,输出功率减小,输出功率因数很低,而且逆变器主开关管工作在硬开关状态,开关损耗大,效率低。
在本方案中,我们所设计的这一数字式中频感应加热电源主电路系统,其逆变电源选择采用串联谐振式全桥DC/AC逆变电路,并选择以IGBT为主开关器件,由电流调节和功率调节组成双闭环的PWM直流斩波器进行功率调节。该逆变电源系统采用数字频率跟踪技术控制逆变器的工作频率,使逆变器始终工作于谐振状态,逆变器输出功率因数接近于1,而且IGBT能始终工作在准零电流开关状态,整机工作效率较高。
烜芯微专业制造二极管,三极管,MOS管,桥堆等20年,工厂直销省20%,4000家电路电器生产企业选用,专业的工程师帮您稳定好每一批产品,如果您有遇到什么需要帮助解决的,可以点击右边的工程师,或者点击销售经理给您精准的报价以及产品介绍
烜芯微专业制造二极管,三极管,MOS管,桥堆等20年,工厂直销省20%,4000家电路电器生产企业选用,专业的工程师帮您稳定好每一批产品,如果您有遇到什么需要帮助解决的,可以点击右边的工程师,或者点击销售经理给您精准的报价以及产品介绍