ACDC开关电源有一项重要的技术参数——掉电保持时间,指从AC掉电到输出电压下降到精度范围(通常是-2%)之外的时间差⊿t,如图1所示。通俗地讲,就是开关电源在没有输入后,输出还能撑多久。
很多情况下,系统在检测到AC掉电后,需要对数据进行保存、传输,对执行器的状态进行设置等等。因此,在AC掉电后,开关电源还需要能持续给系统提供电源一段时间,以保证系统可靠关闭。另外,在有UPS的系统中,从市电切换到UPS供电的过程中,也需要开关电源能维持正常输出。


图1 掉电保持时间示意图
1 掉电保持时间的决定因素
常规ACDC开关电源原理框图如图2所示,AC输入经过整流滤波后,变成一个直流电压(有一定的纹波电压),再通过DCDC变换器转换成我们所需要的电压输出??刂频缏房筛菔淙氲缪购褪涑龈涸乩吹髡伎毡龋≒WM模式)以实现稳定的电压输出。在AC输入掉电后,由输入滤波电容存储的能量给输出供电,在这个过程中,滤波电容电压逐渐下降,控制电路通过调整占空比依然可以实现额定的输出电压,直到电容电压下降到控制电路能调整的范围之外时,输出电压开始下降。


图2 ACDC开关电源原理框图
我们通过举例来说明决定掉电保持时间的因素。假设一款Vo=5V、Po=20W、效率为η=0.78的产品,DC-DC部分可正常工作的最低电压Vin_min=100V,电源内部输入滤波电容Cin=47uF。假设标称220Vac输入整流滤波后的电压为直流电压(实际有一定纹波),其值Vin_nor=308V,根据能量守恒有下式:
0.5*Cin*(Vin_mor2-Vin_min2)=⊿t*Po/η……(1)
代入数值可得:⊿t=77.9ms。
从上式可以看到,⊿t与输入电容、AC输入电压、产品效率成正比,而与输出功率、DC-DC部分最低工作电压成反比。
在实际的工程环境中,输入电压是固定的。对某一款具体的AC-DC电源产品来说,内部输入滤波电容Cin、DC-DC部分最低工作电压Vin_min、效率η都已无法改变,所以,电源本身的掉电保持时间无法改变。通过外围调整,也无法改变产品的Vin_min和η,唯一能调整的是在电源前端再接一级整流滤波,外接的滤波电容与电源内部的输入滤波电容是并联关系,等效增加了Cin,增加了掉电保持时间。
如果电源前端加的滤波电容取100uF/400V,则掉电保持时间在之前的基础上增加165.7ms。如果电源工作在半载条件,则掉电保持时间可以再增加一倍,如表1所示。
表1 掉电保持时间与输入电容、负载关系表


2 输出电容对掉电保持时间的影响
在上述条件下,我们再计算一下通过增加输出电容Co来延长掉电保持时间的效果。假设:输出电压精度是±2%,则输出电压下限Vo1=4.9V、Co=40000uF,则有:
0.5*Co*(Vo2-Vo12)=⊿t1*Po……(2)
代入数值可得:⊿t1=1ms。
我们发现,输出40000uF的电容延长掉电保持时间仅有1ms!由此可见增加输出电容对掉电保持时间的影响微乎其微。
3 推荐外围电路
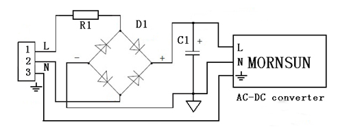
如图3所示,外围电路的输入端接市电,输出可等效为直流电源,接在ACDC开关电源的L、N上。C1要根据实际负载、输入电压以及所需要的保持时间来确定,没有明确的推荐值。由于增加了C1,开机冲击电流会增大,R1可以用来减小该冲击电流,可以选择3W的绕线电阻,阻值大致在2~7.5欧姆之间。对于D1,可以选1000V、电流在1.5A及以上的整流桥,另外整流桥能承受的冲击电流(规格书中有说明)应大于实际电路中的冲击电流。


图3 外围推荐电路
4 试验结果与分析
为验证理论分析和计算的正确性,选取MORNSUN的LH25-10B05来进行测试。在输入电压220Vac,负载4A的条件下,LH25-10B05的掉电保持时间为76.8ms,波形如图5所示;按推荐电路外接100uF/400V输入滤波电容后,电源的掉电保持时间增加到249ms,波形如图6所示。试验结果与理论计算结果吻合。


5 结语
本文理论分析了开关电源掉电过程,推导出了掉电保持时间的计算公式;根据公式找到了通过外接电路来增加掉电保持时间的途径。通过实际测试,验证了理论计算的正确性。该方法实施简单,对增加掉电保持时间效果显著,具有很强的工程指导意义。
烜芯微专业制造二极管,三极管,MOS管,桥堆等20年,工厂直销省20%,4000家电路电器生产企业选用,专业的工程师帮您稳定好每一批产品,如果您有遇到什么需要帮助解决的,可以点击右边的工程师,或者点击销售经理给您精准的报价以及产品介绍
烜芯微专业制造二极管,三极管,MOS管,桥堆等20年,工厂直销省20%,4000家电路电器生产企业选用,专业的工程师帮您稳定好每一批产品,如果您有遇到什么需要帮助解决的,可以点击右边的工程师,或者点击销售经理给您精准的报价以及产品介绍