传真:
18923864027
QQ:
709211280
地址:
深圳市福田区振中路84号爱华科研楼7层
低压mos管MOS管为压控元件,你只需加到它的压控元件所需电压就能使它导通,它的导通就像三极管在饱和状态一样,导通结的压降最小 这就是常说的
碳化硅管简介碳化硅管具有强度高、硬度高、耐磨性好、耐高温、耐腐蚀、抗热抗震性好、导热系数大以及抗氧化性好等优胜功能,首要用于中频铸
快恢复管快恢复二极管(简称FRD)是一种具有开关特性好、反向恢复时间短特点的半导体二极管,主要应用于开关电源、PWM脉宽调制器、变频器等
常用高压mos管型号与参数图表TO-92Part NumbeID(A)VDSS(V)MaxRDS(ON)@60%ID(Ω)Typical RDS(ON)@60%ID(Ω)cisspF1N60H160011
常见快恢复二极管型号参数型号品牌额定电流额定电压反向恢复二极管封装极性IN5817XXW1A20V10nsIN5819XXW1A40V10nsIN5819XXW1A40V10nsIN5822
耗尽型场效应管场效应管的主要参数除输入电阻RGS、漏极饱和电流IDSS、夹断电压UGS(off)和敞开电压UGS(th)外,还有以下重要参数:(1)跨导g
场效应管参数型号 封装 材料 用途 参数7N60HTO-263NMOS开关电源7A 600V7N65HTO-263NMOS开关电源7A 650V840S TO-263NMOS安定器
COOLMOS近来,LLC拓扑以其高效,高功率密度遭到广阔电源规划工程师的喜爱,可是这种软开关拓扑对MOSFET的要求却超过了以往任何一种硬开关拓
逆变器场效应管主要用处逆变器是把直流电能(电池、蓄电瓶)转变成交流电(普通为220v50HZ正弦或方波)。浅显的讲,逆变器是一种将直流电(
MOS管种类MOSFET管是FET的一种(另一种是JFET),可以被制构成增强型或耗尽型,P沟道或N沟道共4种类型,但理论应用的只需增强型的N沟道MOS
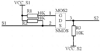
而本文主要阐述利用MOS管搭建的低成本方案,实现电平的双向转换(本文给大家提供两个方式办法)第一种方式:当你运用3 3V的单片机的时候,电
N沟道MOS管导通条件场效应管导通与截止由栅源电压来操控,关于增强场效应管方面来说,N沟道的管子加正向电压即导通,P沟道的管子则加反向电