传真:
18923864027
QQ:
709211280
地址:
深圳市福田区振中路84号爱华科研楼7层
设计家用电器电路控制板时的EMC解决方法介绍家电控制板的小体积,低成本决定了在线路中不会使用高成本的材料来解决其电磁干扰问题。家电控
无功补偿电容器运行特性参数选取知识1 电力电容器及其主要特性参数电力电容器是无功补偿装置的主要部件。随着技术进步和工艺更新,纸介质电
集结不同的电阻可在电路设计中发挥的作用介绍电阻在电子产品中是最常用的器件之一,基本上只要是电子产品,内部就会存在电阻。电阻可以在电
数字电感电容表设计制作图解本文介绍一款由555时基构成多谐振荡器构成的参数变换电路,反相器、晶振构成标准脉冲发生器,以及三个独立LED数
电感与电感材料详细介绍1 1 电感的定义:电感是导线内通过交流电流时,在导线的内部及其周围产生交变磁通,导线的磁通量与生产此磁通的电
压电陶瓷超声波传感器的工作原理与结构特征超声波传感器是利用超声波的特性研制而成的传感器,由于其工作可靠、安装方便、防水型、发射夹角
电磁兼容(EMC)元器件的正确选型与应用技巧在复杂的电磁环境中,每台电子、电气产品除了本身要能抗住一定的外来电磁干扰正常工作以外,还不
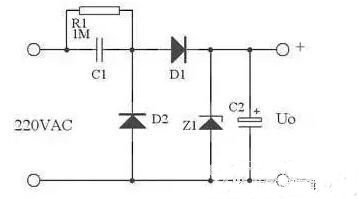
阻容降压的原理解析电容降压的工作原理并不复杂。他的工作原理是利用电容在一定的交流信号频率下产生的容抗来限制最大工作电流。例如,在50
ESD器件在?;さ缏分械挠τ媒樯躑SB、SD卡、MMC卡、DVI HDMI、CAN等接口,因为用户使用中经常性热插拔,板上的芯片非常容易受静电影响。这样
电解电容器测试方法介绍1 目的为了规范电解电容器来料检验及抽样计划,并促进来料质量的提高,特制定该检验规范。2 适用范围适用于IQC对
双声道音频功率放大器电路图解析本文主要对双声道音频功率放大器电路图进行了分析,希望对你的学习有所帮助。图是2×30W双声道音频功
电容器压电效应失效的解决方案介绍高耐压、高容值的电容器一般通过电解电容或者薄膜电容来实现,其体积一般较大。尽管经过多年的发展,高耐