USB、SD卡、MMC卡、DVI/HDMI、CAN等接口,因为用户使用中经常性热插拔,板上的芯片非常容易受静电影响。这样对于接口就要加上保护器件防止损坏芯片。
USB1.1、USB2.0、SD卡、MMC卡等接口,因为用户使用中经常性热插拔,板上的芯片非常容易受静电影响。这种应用场合不能使用普通的稳压管等信道进行保护,因为稳压管的反应速率太慢、且容性负载较大,会影响信道上的数据通信。NXP特提供以下方案供客户参考。
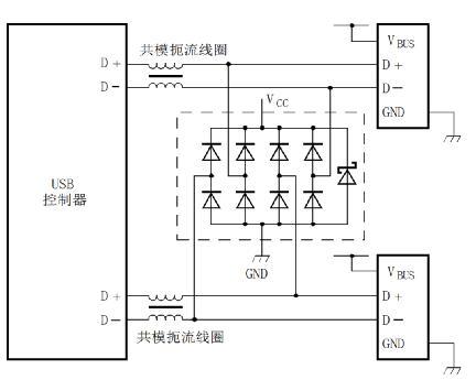
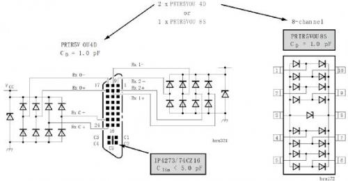
一、USB2.0的?;?PRTR5V0U4D用于双路USB)
下图为PRTR5V0U4D在双路USB应用中的连接示意图。


图13.22 PRTR5V0U4D在双路USB中的应用
二、SD卡的?;?/div>
下图为PESD5V0L6AS / PESD5V0L6US 在SD卡?;さ缏分械牧邮疽馔?。


图13.23 ESD器件在SD卡?;さ缏分械挠τ?
下图为PESD3V3L4Ux / PESD5V0V4Ux 在SD卡?;さ缏分械牧邮疽馔?。


图13.24 ESD器件在SD卡保护电路中的应用2
三、MMC多媒体卡的保护
下图为PESD3V3L4Ux / PESD5V0L4Ux / PESD3V3V4Ux / PESD5V0V4Ux 在MMC多媒体卡?;さ缏分械牧邮疽馔肌?br />


图13.25 PESD器件在MMC多媒体卡?;さ缏分械挠τ?/div>
四、DVI/HDMI的?;?/div>
DVI和HDMI接口已常用于数字视频与音频和显示平板的连接。由于高频信号(最高达1.6GHz)的处理要求这些数据线配置极低的线路电容。Philips提供了独特的1pF的线路电容?;て骷?。性能继续维持8 kV的可接触的IEC61000-4-2标准。下图为NXP ESD器件在DVI / HDMI接口?;さ缏分械牧邮疽馔?。


图13.26 NXP ESD器件在DVI / HDMI接口?;さ缏分械挠τ?/div>
五、独立Audio/Video的?;?/div>
下图为PRTR5V0U4D / PESD5V0L4Ux在独立Audio/Video接口保护电路中的连接示意图。


图13.27 ESD?;て骷诙懒udio/Video接口保护电路中的应用
六、S-Video/Audio的?;?/div>
下图为PRTR5V0U4D / PESD5V0L5Ux在S-Audio/Video接口?;さ缏分械牧邮疽馔?。


图13.28 ESD?;て骷诙懒udio/Video接口保护电路中的应用
七、SCART接头的?;?/div>
SCART接口在电视机到录像机,机顶盒,DVD录像机和人造卫星接收器的连接中得到了广泛的应用。由于这些应用中使用了敏感的IC器件,ESD?;は缘梅浅V匾?。尤其是视频和音频信号线。NXP推荐以下器件供客户参考PESD5V0L5Ux / PESD5V0L7Bx。


图13.29 ESD?;て骷赟CART接口?;さ缏分械挠τ?/div>
八、IP芯片在SIM卡保护中的应用
下图为IP系列ESD?;て骷赟IM卡保护电路中的连接示意图。


图13.30 IP 系列器件在SIM卡?;さ缏分械挠τ?/div>
九、IP芯片在SD /MMC多媒体卡?;ぶ械挠τ?/div>
下图为IP系列ESD?;て骷赟D/MMC多媒体卡?;さ缏分械挠τ檬疽馔肌?br />


图13.31 IP系列器件在SD/MMC多媒体卡?;さ缏分械挠τ?/div>
烜芯微专业制造二极管,三极管,MOS管,桥堆等20年,工厂直销省20%,4000家电路电器生产企业选用,专业的工程师帮您稳定好每一批产品,如果您有遇到什么需要帮助解决的,可以点击右边的工程师,或者点击销售经理给您精准的报价以及产品介绍
十、汽车CAN和LIN总线的保护
CAN总线、LIN总线初期主要应用于汽车电子中,目前两种总线已经广泛应用各种中短距离总线场所,如工控、汽车电子等恶劣环境中。NXP推荐您在此类接口中加入ESD?;て骷栽銮磕南低车目煽啃?,推荐连接示意图如下所示。


图13.32 NXP ESD器件在CAN bus / LIN bus中的应用
- 上一篇:电解电容器测试方法介绍
- 下一篇:阻容降压的原理解析
相关阅读
最新资讯
- 怎么用TVS二极管提高电路的抗突波能力
- PIN二极管的电导调制机制和应用介绍
- 基于双MOS管的防反灌电路工作原理介绍
- 高效率整流二极管的特性和应用介绍
- 详解稳压二极管的关键特性和应用原理
- MOS管选型关键因素分析,怎么选择合适的参数
- 三相整流电路分析,半波整流与全波整流的工作原理
- IGBT三相全桥整流电路工作原理介绍
- 详解快恢复二极管,结构,特性和应用介绍
- 三极管和MOS管组合式开关电路分析
联系烜芯微
咨询热线:
18923864027
传真:
18923864027
QQ:
709211280
地址:
深圳市福田区振中路84号爱华科研楼7层