传真:
18923864027
QQ:
709211280
地址:
深圳市福田区振中路84号爱华科研楼7层
光电二极管的工作原理详解光电二极管(也叫光敏二极管)是将光信号变成电信号的半导体器件,与光敏电阻相比具有灵敏度高、高频性能好,可靠性
稳压二极管,稳压二极管的应用电路详解稳压二极管比较特殊,基本结构与普通二极管一样,也有一个PN结。由于制造工艺的不同,当这种PN结处于
变容二极管的原理和作用详解二极管具有势垒电容,通过外加电压可以改变空间电荷区的宽度,从而改变这种势垒电容量的大小,变容二极管就是利
肖特基二极管的原理和封装介绍1 工作原理肖特基二极管是贵金属(金、银、铝、铂等)A为正极,以N型半导体B为负极,利用二者接触面上形成的势
USB的光电二极管阵列数据设计详解本文介绍了一种基于USB的光电二极管阵列数据采集系统的设计方案。本系统以DSP作为核心,光电二极管阵列的
开关二极管的工作原理与电路图在查看电子元器件时,很容易忽略不起眼的二极管,它们没有隧道、Gunn、变容二极管、齐纳二极管和雪崩二极管,
恒电流二极管的LED驱动电路设计图解当前LED照明正逐渐兴起,其具有体积小、功耗低、寿命长、节能环保无污染等特征。LED是电流驱动器件,其
继电器的工作原理与作用详解在很多的家用电器上(如自动洗衣机、电炉加温等等),为了防止电流过大而损伤电器,因此在电器上面安装了一些继电
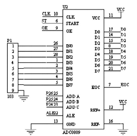
ADC0809的工作原理介绍A D转换器是模拟信号源与计算机或其它数字系统之间联系的桥梁,其任务是将连续变化的模拟信号转换为数字信号,以便计
ADC0809,ADC0809的数字电压表设计图解ADC0809是CMOS工艺8通道,8位逐次逼近式A D模数转换器。其内部有一个8通道多路开关,它可以根据地址码
ADC0809,ADC0809的16通道数据采集系统设计详解在日常实验中,经常使用单片机系统实现数据采集功能,即实现实验数据连续精确的数模转换。ADC
AD0809与单片机的多路数据采集系统设计图解数据采集是指将温度、压力、流量、位移等模拟物理量采集并转换成数字量后,再由计算机进行存储、