工作中经常要用到LED灯显示电路,比如怎样设计出来一个闪烁频率为2Hz的LED灯闪烁电路?
闪烁频率为2Hz,也就是说LED灯的闪烁周期为T=1/f=0.5s,也就是500ms,也就是说要求LED灯500ms闪烁一次,即平均秒闪烁两次。这个要求可实现的办法有很多,下面列举几种常用的例子供大家参考学习。
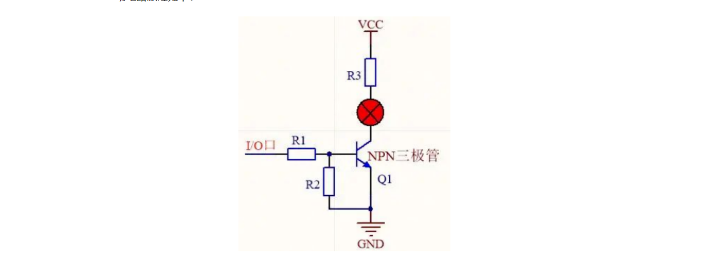
1 最经典的MCU实现
如果我们有处理器(如单片机、DSP、ARM、CPLD或FPGA等)的话,实现LED灯以2Hz的频率闪烁会变得非常简单。我们只需要使用处理器的一个I/O口来驱动一个三极管,进而控制LED的亮灭状态。程序员通过编写一个简单的程序,我们可以让这个I/O口每间隔250毫秒输出一个高电平,然后接下来的250毫秒输出一个低电平。这样,总体上的闪烁周期就是500毫秒,也就是我们所要的2Hz的闪烁频率。
I/O口的输出信号呈现一种特定的波形:它实际上是一个频率为2Hz的方波信号。


下面是用NPN型三极管来控制LED灯的亮灭是一种常见的电路设计方法。在这个电路中,当I/O输出高电平,三极管的基极接收到高电平时,它会导通,从而使得LED灯亮起;而当I/O输出低电平,基极接收到低电平时,三极管会截止,LED灯随之熄灭。


2 使用555定时器
很常见的555定时器,它的功能十分强大,它能够产生频率最高达300KHZ且占空比可调的PWM波。对于其作为方波发生器的工作原理,输出波形的周期是通过以下公式计算的:TH(高电平时间)=ln2×R1×C1,而TL(低电平时间)=ln2×R2×C1,这里的ln2≥0.7。以给出的电阻R1和R2为768KΩ,以及电容C1为470μF为例,我们可以计算出TH和TL各自约为250ms。因此,整个方波的周期T是TH和TL之和,也就是500ms,对应的频率就是1除以周期T,也就是2Hz。
我们知道555定时器的输出端具有大约200mA的驱动能力,所以我们只需要在驱动一个LED灯的情况下,我们并不需要额外的三极管等元件来增强它的驱动能力。可以直接将LED灯连接到555定时器的输出脚(4脚)上,从而实现对LED灯的控制。


3 多谐振荡器
这是一个非常经典的LED交替闪烁电路,它采用了两个NPN三极管和电容充放电的原理来实现LED1和LED2之间的交替闪烁效果。如果你只需要控制一个或一组LED,你可以用一个电阻来代替LED2。这个电路是一个多谐振荡器电路,其中一个三极管在导通状态下,另一个三极管会截止,通过电容和电阻的耦合作用,这两个三极管会交替进入导通和截止状态,从而产生自激振荡。这种振荡机制使得LED1和LED2之间能够实现平滑的交替闪烁效果。
这个电路它的工作原理是基于两个NPN三极管和电容的充放电过程来实现的。当在上电的瞬间,由于电路两边的微小差异,因此两个三极管导通的时间会有先有后,导致其中一个三极管先导通,而另一个处于截止状态,形成一个暂时的稳定状态。以三极管Q1导通、三极管Q2截止为例,此时Q1的集电极(即电容C1的左端)的电压为0,而Q1的基极电压约为0.7V。同时,电容C1通过电阻R2进行充电,而电容C2也通过电阻R4进行充电。假设电源电压VCC是5V,当电容C2充满电以后,它两端电压为4.3V(左端0.7V,右端5V)。由于R4的阻值是远远小于R2的,因此电容C2的充电速度要比C1快很多。当C1右端的电压达到0.7V时,Q2开始导通。此时,电容C2的右端电压直接被拉低到0V,但由于电容两端的电压不能突变,所以电容C2左端的电压瞬间变为-4.3V,导致Q1立刻截止,形成另一个暂时的稳定状态。接着,电容C2开始通过电阻R3放电,放完后又开始反向充电。当电容C2左端电压达到0.7V时,Q1再次导通。同样地,Q1的导通会使电容C1左端电压变为0V,进而反馈到电容C2右端电压变为-4.3V,使Q2截止,然后进入下一个暂稳态。这个过程会不断重复,从而实现LED1和LED2交替闪烁的效果。


这个多谐振荡器的振荡周期T可以通过公式T=0.7(R2C1+R3C2)来计算。由于电阻R2和R3、电容C1和C2的取值相同,所以周期可以简化为T=1.4×R2×C1。通过调整电容C1、C2以及电阻R2、R3的数值,我们可以改变LED的闪烁频率。这个电路对于初学者来说可能有一定的理解难度,但大家可以通过实践逐渐掌握其工作原理。
总结:
本文介绍了三种常用的LED闪烁方案。
第一种方案利用处理器实现,虽然实现过程相对简单,但前提是原系统中已有处理器可供使用,否则为了单一的LED闪烁功能而单独设计一个处理器是不经济的,成本较高。
第二种方案采用555定时器,是一种常用的方法,只需一个555芯片和一些电容电阻即可实现LED闪烁,其原理简单且成本较低。
第三种方案则是基于经典的多谐振荡电路,只需两个三极管和几个电容电阻即可实现LED交替闪烁,具有较低的成本。
〈烜芯微/XXW〉专业制造二极管,三极管,MOS管,桥堆等,20年,工厂直销省20%,上万家电路电器生产企业选用,专业的工程师帮您稳定好每一批产品,如果您有遇到什么需要帮助解决的,可以直接联系下方的联系号码或加QQ/微信,由我们的销售经理给您精准的报价以及产品介绍
联系号码:18923864027(同微信)
QQ:709211280