内置折返式限流电路的线性稳压器在启动前被施加恒流负载时,可能会出现无法启动的故障。
内置折返式限流电路的线性稳压器的这种故障可以通过使用具有电流下垂特性的过电流?;さ缏返南咝晕妊蛊骼唇饩?。
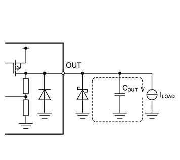
如果因恒流负载而使电流流过在IC的输出引脚和接地之间的ESD?;ざ芑蚣纳埽騃C可能会劣化甚至损坏,因此需要在IC的输出引脚和接地之间连接肖特基势垒二极管来进行保护。
案例:恒流负载导致的启动故障
内置折返式限流电路的线性稳压器IC,在IC启动前输出端被施加恒流负载时,可能会出现无法启动的问题。
正常负载 (电阻、电容) 时的启动时序
图1是电流折返特性示例。当IC的输出处于过负载状态、输出电流达到限值时,通过使输出电流限制线性降低的方式来降低输出电压,将IC的功耗保持在限制范围内,从而实现?;?。
由于折返式电流限制功能在启动时也起作用,因此IC的启动将遵循其折返特性。首先,我们使用图1和图2来介绍输出负载为正常的电阻或电容时的启动时序。图2为电路的启动波形,其中稳压器输出端连接了100μF的电容器,以及5V时流过500mA的输出(负载)电流的电阻负载。两个图中的(A)~(E)分别表示相同的时间点。


在供给VCC之前的时间点,输出电压和输出电流均为零。IC从被供给VCC的(A)时间点开始启动,输出开始上升。由于输出端连接着100μF的输出电容器,所以输出电流因电容器充电而急剧增加。这种电流被称为“浪涌电流”,如果不加以限制,可能会导致瞬间流过极限大电流。在该示例中,如图所示,电流被限制在300mA左右。
之后,输出电流沿折返曲线呈线性增加,并逐渐对输出电容器进行充电,输出电压也随之沿折返曲线上升,并按照 (B) 点、(C)点、(D)点推移。
在(D)点,输出电容器的充电基本完成,输出电压达到设定值,输出电流也进入稳定状态。
在(E)点,输出电压充分上升并达到稳定状态,输出电流达到正常负载500mA。
这样,具有折返式限流电路的线性稳压器从零点开始,沿着折返曲线启动。如果负载是电阻或电容,在启动时可能会受到电流限制,但只要有电流提供给输出端,输出电压就一定会上升。
恒流负载的情况
接下来,我们来介绍一下恒流负载的情况。如果在IC启动前对输出施加恒流负载,那么电流会流过IC输出引脚和接地之间的二极管,就会产生正向电压,所以输出引脚电压为-1VF (约-0.7V)。该二极管是IC内置的ESD?;ざ芑蚪峁股洗嬖诘募纳?图3)。


例如,假设恒流负载为500mA。图4中的(A)点是IC开始启动的点,如前所述,由于恒流负载,输出电压为负。当IC启动时,输出电流开始流动,但由于输出电压为-0.7V,因此供电电流小于0V时的供电电流,在本例中约为200mA。由于负载是500mA的恒流负载,所以输出电压仅凭200mA的供电电流无法上升,在(B)点处于锁存状态,输出电压无法上升,即发生启动故障。
如果在IC已经完成启动并且输出电压已达到设定电压的状态下连接恒流负载,就可以继续运行。这是因为IC已经处于稳定状态,在本例中则可以充分提供500mA的电流。但是,一旦输出短路(变为0V),就会回到图4中的(A)点,所以会处于前述的在启动前施加恒流负载时发生的状态,同样会出现启动故障。
作为这种故障的对策,可以选用启动时IC能够提供的输出电流值大于恒流负载值的IC。
然而,对于具有折返式限流电路的线性稳压器而言,由于其特性,在0V输出时可以供给的电流值被设置得很小,在很多情况下并不能保证电流值。因此,如果要在启动前施加恒流负载的条件下使用时,可使用过电流?;さ缏肪哂械缌飨麓固匦缘南咝晕妊蛊骼唇饩稣飧鑫侍狻H缤?所示,电流下垂型特性在0V输出时可供给的电流值接近于最大输出电流,因此即使有恒流负载也能正常启动。


图5. 过电流?;さ缏返?/div>
电流下垂特性示例
图6. 输出引脚的
反向电压?;?/div>
虽然与处理启动故障并没有直接关系,但是还是要提醒一下:如果恒流负载使IC的输出引脚和接地之间的ESD?;ざ芑蚣纳苤辛鞴缌鳎赡芑岬贾略骷踊蛩鸹?。要想防止这种情况,可以在输出引脚和接地之间连接肖特基势垒二极管(参见图6)。

〈烜芯微/XXW〉专业制造二极管,三极管,MOS管,桥堆等,20年,工厂直销省20%,上万家电路电器生产企业选用,专业的工程师帮您稳定好每一批产品,如果您有遇到什么需要帮助解决的,可以直接联系下方的联系号码或加QQ/微信,由我们的销售经理给您精准的报价以及产品介绍

〈烜芯微/XXW〉专业制造二极管,三极管,MOS管,桥堆等,20年,工厂直销省20%,上万家电路电器生产企业选用,专业的工程师帮您稳定好每一批产品,如果您有遇到什么需要帮助解决的,可以直接联系下方的联系号码或加QQ/微信,由我们的销售经理给您精准的报价以及产品介绍
联系号码:18923864027(同微信)
QQ:709211280
相关阅读
最新资讯
- 怎么用TVS二极管提高电路的抗突波能力
- PIN二极管的电导调制机制和应用介绍
- 基于双MOS管的防反灌电路工作原理介绍
- 高效率整流二极管的特性和应用介绍
- 详解稳压二极管的关键特性和应用原理
- MOS管选型关键因素分析,怎么选择合适的参数
- 三相整流电路分析,半波整流与全波整流的工作原理
- IGBT三相全桥整流电路工作原理介绍
- 详解快恢复二极管,结构,特性和应用介绍
- 三极管和MOS管组合式开关电路分析
联系烜芯微
咨询热线:
18923864027
传真:
18923864027
QQ:
709211280
地址:
深圳市福田区振中路84号爱华科研楼7层