78XX系列的三端稳压芯片,制作电压简单又方便。
但是一般的常规电路,用在300mA一下的低频负载没什么问题,如果用在给QRP电台供电,可能就会莫名的出现一些“幺蛾子”。
轻则芯片自激发热,重则电台总是“哼哼”。
交流哼声,在DC(直变)接收机中比较容易发生,工作频率越高,这种状况越普遍,在14MHz和以上频率可能会更严重。
产生这样情况的机理,主要是因为DC接收机的差拍频率与接收频率相同,可变差拍振动器VBFO的高频能量串入电源,到达整流二极管,由于二极管是典型的非线性器件,也是很好的调制器,会以100Hz的哼声调制VBFO信号,然后被调制的信号辐射到天线,又被接收机再次接收,就听到“哼哼”了。
如果使用端馈的长线天线或鞭状天线状况会更严重。这是因为天线与电源线距离近,而电源线也是一个电波的辐射体,如果使用电池则不会有这样的情况发生。


对于交流供电,如何消除“哼哼”呢?
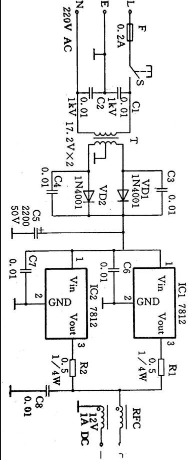
处理“哼哼”用了一些小方法。
整流二极管都并联了0.01uF的瓷片电容,能把串入的杂散高频信号旁路掉,而不是将它调制,避免电源线拾取或者辐射高频能量。
电源的直流输出,使用了高频扼流线圈。
同时接收机的接地和电源的接地,要用非感性的方式妥善接地。使用同轴电缆作为天线的馈线。
为了避免7812自激振荡,在贴近它的引脚处接上0.01uF的高频退耦电容。
为了扩流,用两个7812并联输出,在输出端分别串联0.5Ω的匀流电阻。
0.5Ω的匀流电阻,也可以用0.1mm的漆包线在1W的电阻上绕制,这样的匀流电阻还是一个低Q值的电感,还能起到扼制高频电流的作用。
高频扼流线圈RFC,可用0.8mm左右的漆包线在至少30mm外径的NXO-100磁环上均匀并绕20匝左右。
下图2中的a和b图分别给出了PCB布置参考。

〈烜芯微/XXW〉专业制造二极管,三极管,MOS管,桥堆等,20年,工厂直销省20%,上万家电路电器生产企业选用,专业的工程师帮您稳定好每一批产品,如果您有遇到什么需要帮助解决的,可以直接联系下方的联系号码或加QQ/微信,由我们的销售经理给您精准的报价以及产品介绍

〈烜芯微/XXW〉专业制造二极管,三极管,MOS管,桥堆等,20年,工厂直销省20%,上万家电路电器生产企业选用,专业的工程师帮您稳定好每一批产品,如果您有遇到什么需要帮助解决的,可以直接联系下方的联系号码或加QQ/微信,由我们的销售经理给您精准的报价以及产品介绍
联系号码:18923864027(同微信)
QQ:709211280