三端稳压管(三端稳压管)一般指三端稳压块,稳压块的作用是将电压进行降压处理,并稳定为某一固定的值后输出。它是一种直到临界反向击穿电压前都具有很高电阻的半导体器件。
稳压管在反向击穿时,在一定的电流范围内(或者说在一定功率损耗范围内),端电压几乎不变,表现出稳压特性,因而广泛应用于稳压电源与限幅电路之中。
可分为正电压稳压块和负电压稳压块两种,正电压的有78系列、负电压的有79系列,两个系列是不能互换使用的,所以在选用时不要弄混。
稳压块的作用是将电压进行降压处理,并稳定为某一固定的值后输出。例如,三端稳压块7805可将小于35v的电压降成稳定的5v输出电压。它比只使用一只稳压二极管进行稳压的电路要好得多,成本也不是很高,所以应用还是很广泛的。
三端稳压管,主要有两种,一种输出电压是固定的,称为固定输出三端稳压管,另一种输出电压是可调的,称为可调输出三端稳压管,其基本原理相同,均采用串联型稳压电路。


78或78L和M,或78m12、79l24,用来区分输出电流和包装形式,其中78L系列的最大输出电流100毫安,78系列最大输出电流是1、78系列,最大输出电流1.5a。它也有各种各样的封装,如图表所示。
三端稳压管的样子就像是普通的三极管,三端IC是指这种稳压用的集成电路只有三条引脚输出,分别是输入端、输出端和接地端。将元件有标识的一面朝向自己,若是78系列,三条引脚从左到右分别为输入端、接地端和输出端;
若是79系列,三条引脚分别为接地端、输入端和输出端。常用的一种三端稳压器,7805,这个在电路中最常用,可以提供5V的电压,提供几百毫安的电流,需要注意,电流稍微大些,需要增加散热片。
该系列集成稳压IC型号中的78或79后面的数字代表该三端集成稳压电路的输出电压,如7805表示输出电压为正5V,7912表示输出电压为负12V。
有时在数字78或79后面还有一个M或L,如78M12或79L24,这是用来区别输出电流和封装形式等, 其中78L系列最大输出电流为100mA,78M系列最大输出电流为1A,78系列最大输出电流为1.5A。
它们的封装也有多种,根据元件的安置情况会有所不同。在实际应用中,当稳压管温度过高时,稳压性能将会变差,甚至损坏,所以 应在三端集成稳压电路上安装足够大的散热器 (除非小功率的条件下不用)。
三端稳压管的种类还是比较多的,一般在5-24v之间,像5V、6V、7V、8V、9V、10V、12V、15V、18V和24V都是我们在电路设计中经?;嵊玫降?,负电压也是如此,可以认为这两个管子是互补对称的。输出电流以78(或79)后面加字母来区分L表示0.1;AM表示0.5A,无字母表示1.5A,如78L05表示5V 0.1A。
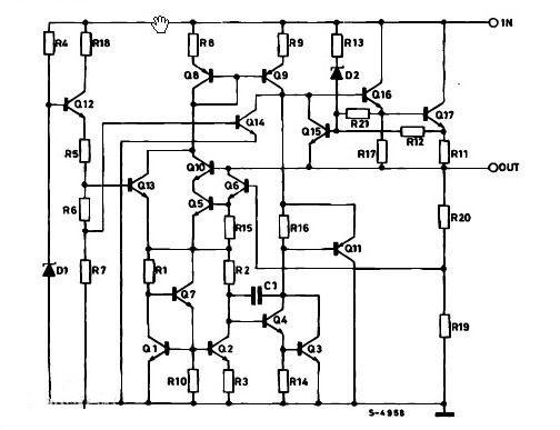
三端稳压管内部电路图

〈烜芯微/XXW〉专业制造二极管,三极管,MOS管,桥堆等,20年,工厂直销省20%,上万家电路电器生产企业选用,专业的工程师帮您稳定好每一批产品,如果您有遇到什么需要帮助解决的,可以直接联系下方的联系号码或加QQ/微信,由我们的销售经理给您精准的报价以及产品介绍

〈烜芯微/XXW〉专业制造二极管,三极管,MOS管,桥堆等,20年,工厂直销省20%,上万家电路电器生产企业选用,专业的工程师帮您稳定好每一批产品,如果您有遇到什么需要帮助解决的,可以直接联系下方的联系号码或加QQ/微信,由我们的销售经理给您精准的报价以及产品介绍
联系号码:18923864027(同微信)
QQ:709211280