无线发射电路结构原理
在无线电??厣璞钢谐S玫姆⑸涞缏酚筛咂嫡竦吹缏贰⒅屑浞糯蠹?、高频功率放大器及调制电路组成。对于不同场合的??厣璞?,发射电路的组成是不同的,如在近距离对家用电器或玩具进行???,发射电路输出的功率只要10~20mW就够了,没有必要有中间放大级及高频功率放大器,调制电路直接对高频振荡电路进行调制发射即可。
无线发射电路图一
1000米无线发射电路图
早期的发射机较多使用LC振荡器,频率漂移较为严重。声表器件的出现解决了这一问题,其频率稳定性与晶振大体相同,而其基频可达几百兆甚至上千兆赫兹。无需倍频,与晶振相比电路极其简单。
以下两个电路为常见的发射机电路,由于使用了声表器件,电路工作非常稳定,即使手抓天线、声表或电路其他部位,发射频率均不会漂移。和图一相比,图二的发射功率更大一些??纱?00米以上。




上图为常见的发射机电路
尽管性能较差,然而其电路简单容易实现,工作稳定,因此得到了广泛的应用,在汽车、摩托车报警器,仓库大门,以及家庭保安系统中,几乎无一例外地使用了这样的电路。
无线发射电路图二
555构成的超声波发射电路
从555的3脚输出的40kHz的振荡脉冲驱动T-40-16工作,使之发射出40kHz的超声波信号。电路工作电压为9V,工作电流为40~45mA,控制距离大于8m。


无线发射电路图三
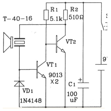
分立元件构成的超声波发射电路


分立元件构成的超声波发射电路T/R-40-16便可发射出一串40kHz的超声波信号。此电路工作电压9V,工作电流25mA,控制距离可达8m。
〈烜芯微/XXW〉专业制造二极管,三极管,MOS管,桥堆等,20年,工厂直销省20%,上万家电路电器生产企业选用,专业的工程师帮您稳定好每一批产品,如果您有遇到什么需要帮助解决的,可以直接联系下方的联系号码或加QQ/微信,由我们的销售经理给您精准的报价以及产品介绍
联系号码:18923864027(同微信)
QQ:709211280