三极管自锁电路是利用三极管放大倍数以及正反馈效应构成的一种电路。在某些需要稳定化输出的场合,可以采用三极管自锁电路来保证输出的恒定。
三极管自锁电路作用
三极管自锁电路的作用是在不同输入信号下通过调整电路中的元器件参数使输出电压或电流达到恒定值。这种电路可以限制输出波形在一定范围内并消除电源噪声,因此被广泛应用于各种电路设计中。


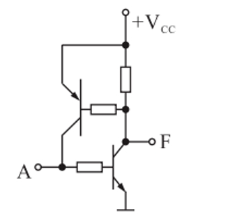
三极管自锁电路图
三极管自锁电路的原理基于三极管放大倍数与正反馈作用。当输入信号使得三极管工作于放大状态时,反馈电流通过电路,进一步提高了三极管的输入电阻,导致增益系数得到提升,进而使输出电平稳定。这种电路因为不需要外接电源进行自激,所以成为自锁电路,并具有输出电压、电流稳定的特点。
自锁电路分析
电路上电后状态是万用表输出电压位1.874uV,电路复位输出低电平。
当按键S2按下后,万用表测的电压为4.959V(高电平),按键S2松开后,万用表仍然保持输出4.918V(高电平),既实现了高电平的锁存。
当按键S1按下后电路万用表测得电压是1.874uV,电路复位输出低电平。.


实现原理说明
电路初始状态下,三极管Q1基极电平未知,导致Q1截止,三极管Q2基极通过上拉电阻保持高电平,是Q2截止,最后导致万用表输出为低电平;
当按键S2按下时,导致Q1的基极得到高电平,使得Q1导通,从而使得Q2的基极拉低,使得Q2三极管导通,导通后Q1的基极得到高电平,使得三极管Q1持续导通,最终形成自锁电平。
当按下S1时,Q2基极为高,Q2截止,从而导致Q1基极为低,整个电路复位,输出低电平。
改进电路设计
使用自复位开关S3试下输入信号和复位信号互锁

〈烜芯微/XXW〉专业制造二极管,三极管,MOS管,桥堆等,20年,工厂直销省20%,上万家电路电器生产企业选用,专业的工程师帮您稳定好每一批产品,如果您有遇到什么需要帮助解决的,可以直接联系下方的联系号码或加QQ/微信,由我们的销售经理给您精准的报价以及产品介绍

〈烜芯微/XXW〉专业制造二极管,三极管,MOS管,桥堆等,20年,工厂直销省20%,上万家电路电器生产企业选用,专业的工程师帮您稳定好每一批产品,如果您有遇到什么需要帮助解决的,可以直接联系下方的联系号码或加QQ/微信,由我们的销售经理给您精准的报价以及产品介绍
联系号码:18923864027(同微信)
QQ:709211280