复位电路是用来使电路恢复到起始状态的电路设备,操作原理与计算器有着异曲同工之妙,就像计算器的清零按钮的作用一样,只是启动原理和手段有所不同。复位电路,就是利用它把电路恢复到起始状态。
复位电路工作原理
复位电路的目的就是在上电的瞬间提供一个与正常工作状态下相反的电平。一般利用电容电压不能突变的原理,将电容与电阻串联,上电时刻,电容没有充电,两端电压为零,此时,提供复位脉冲,电源不断的给电容充电,直至电容两端电压为电源电压,电路进入正常工作状态。
积分型上电复位电路
常用的上电或开关复位电路如图所示。上电后,由于电容C3的充电和反相门的作用,使RST持续一段时间的高电平。当单片机已在运行当中时,按下复位键K后松开,也能使RST为一段时间的高电平,从而实现上电或开关复位的操作。
根据实际操作的经验,下面给出这种复位电路的电容、电阻参考值。
图中:C:=1uF,Rl=lk,R2=10k


积分型上电复位电路图
专用芯片复位电路
上电复位电路在控制系统中的作用是启动单片机开始工作。但在电源上电以及在正常工作时电压异常或干扰时,电源会有一些不稳定的因素,为单片机工作的稳定性可能带来严重的影响。因此,在电源上电时延时输出给芯片输出一复位信号。
上复位电路另一个作用是,*正常工作时电源电压。若电源有异常则会进行强制复位。复位输出脚输出低电平需要持续三个(12/fc s)或者更多的指令周期,复位程序开始初始化芯片内部的初始状态。等待接受输入信号(若如遥控器的信号等)。


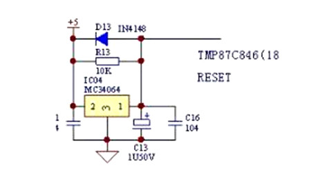
上电复位电路原理图
5V电源通过MC34064的2脚输入,1脚便可输出一个上升沿,触发芯片的复位脚。电解电容C13是调节复位延时时间的。当电源关断时,电解电容C13上的残留电荷通过D13和MC34064内部电路构成回路,释放掉电荷。以备下次复位启用。


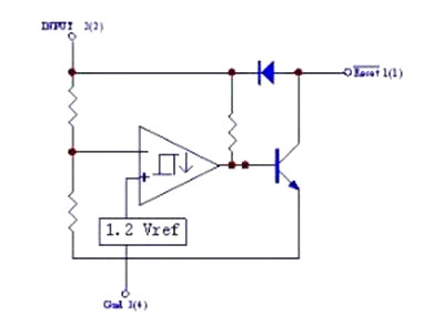
上电复位电路内部结构框图
〈烜芯微/XXW〉专业制造二极管,三极管,MOS管,桥堆等,20年,工厂直销省20%,上万家电路电器生产企业选用,专业的工程师帮您稳定好每一批产品,如果您有遇到什么需要帮助解决的,可以直接联系下方的联系号码或加QQ/微信,由我们的销售经理给您精准的报价以及产品介绍
联系号码:18923864027(同微信)
QQ:709211280