74LS48是一种BCD(二进制编码数字)转换器,可将BCD输入数据转换为七段显示器所需的控制信号。它是一种集成电路芯片,广泛应用于数字电子系统中。
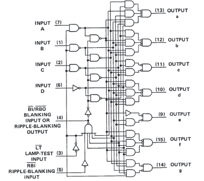
74LS48由多个逻辑门和锁存器组成。它包含了4个输入缓冲器(用于输入BCD码),1个锁存器(用于锁存数据),以及4个输出驱动器(用于驱动七段LED显示器)。这些组件结合在一起,实现了从BCD码到七段LED显示器的转换。
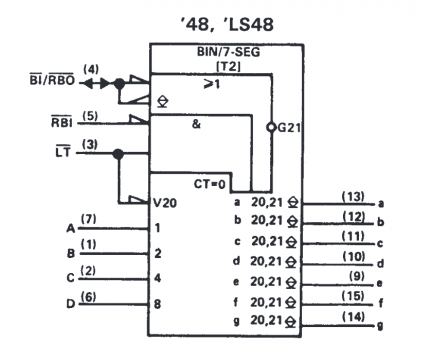
74ls48引脚图分析


脚(7,1,2,6) A-D; 为输入, D为高位,为二进制编码;
脚(13,12,11,10,9,15,14) a-g; 为输出,高电平有效,分别接共阴极数码管的a~g引脚;
脚(3)LT; 为灯测试输入端,低电平有效。LT=0时,数码管7段同时得到高电平,以检查数码管各段功能
脚(5)RBI; 为灭零输入端,低电平有效。RBI=0时,多位数中不需显示的0被熄灭;
脚(4)BI/RBO; 为灭灯输入灭零输出端,低电平有效。输入BI=0时,各段全灭;作输出时,若RBO=0 ,表示将本该显示却不需显示的0熄灭了。
脚(8)GND; 地面
脚(16)VCC; 电源电压
74ls48真值表


(1)7段译码功能(LT=1,RBI=1)
在灯测试输入端(LT)和动态灭零输入端(RBI)都接无效电平时,输入DCBA经7448译码,输出高电平有效的7段字符显示器的驱动信号,显示相应字符。除DCBA = 0000外,RBI也可以接低电平,见表1中1~16行。
(2)消隐功能(BI=0)
此时BI/RBO端作为输入端,该端输入低电平信号时,表1倒数第3行,无论LT 和RBI输入什么电平信号,不管输入DCBA为什么状态,输出全为“0”,7段显示器熄灭。该功能主要用于多显示器的动态显示。
(3)灯测试功能(LT = 0)
此时BI/RBO端作为输出端, 端输入低电平信号时,表1最后一行,与 及DCBA输入无关,输出全为“1”,显示器7个字段都点亮。该功能用于7段显示器测试,判别是否有损坏的字段。
(4)动态灭零功能(LT=1,RBI=1)
此时BI/RBO端也作为输出端,LT 端输入高电平信号,RBI 端输入低电平信号,若此时DCBA = 0000,表1倒数第2行,输出全为“0”,显示器熄灭,不显示这个零。DCBA≠0,则对显示无影响。该功能主要用于多个7段显示器同时显示时熄灭高位的零。


74ls48应用电路图


74LS48系列 的输入端A B C D是8421码,D是高位,通过A B C D 的高低电平控制数码管的显示,如上图: A是高电平,B C D 是低电平, 表示十进制“1”,因此数码管显示“1”。
〈烜芯微/XXW〉专业制造二极管,三极管,MOS管,桥堆等,20年,工厂直销省20%,上万家电路电器生产企业选用,专业的工程师帮您稳定好每一批产品,如果您有遇到什么需要帮助解决的,可以直接联系下方的联系号码或加QQ/微信,由我们的销售经理给您精准的报价以及产品介绍
联系号码:18923864027(同微信)
QQ:709211280