ZVS (Zero Voltage Switching) 是一种电源转换技术,其目的是在开关功率电路中实现零电压开关。ZVS电源的工作原理是通过控制开关管的导通和关断时机,实现电源的高效转换。
零电压开关(ZVS)原理


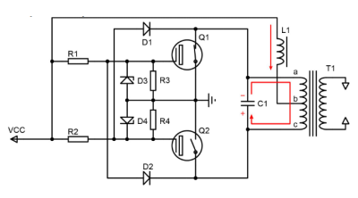
图2-1 零电压开关原理图(直流供能)


图2-2 零电压开关波形图及其t2时刻波形图
1.上电时L1通入的电流为零,电源通过R1、R2是Q1、Q2导通,L1电流逐渐增加,由于两个开关管特性差异,将导致流入两个开关管的电流不同,假设Q1电流大于Q2电流,所以Q1栅极电压高于Q2栅极电压,通过两个二极管D1、D2,使得a点电压低于c点电压,故T1将产生b为正,a为负的感应电压,于是通过T1形成正反馈,使Q1导通,Q2截止。完成启动过程。
2.(t0~t1时间)稳态Q1导通时,由于上个周期T1电流为a到c,并且C1两端电压为零。由于电流不能突变,T1电流将对C1充电,C1逐渐为a负c正的电压,并且正弦变大,T1电流正弦变小。此时a电压被Q1下拉到0V,所以C点电压正弦变大,Q1栅极电压被D3稳压管钳位,Q1时钟保持导通。


图2-3 (t0~t1)Q1导通,T1电流对C1充电
4.(t1~t2时间)C1开始通过T1由c到a放电,C1电压即c点电压正弦变小,T1电流由c到a正弦变大。


图2-4 (t1~t2)C1对T1绕组放电,当C1电压为0左右时,Q1关断,Q2导通
5.(t2时间)当C1能力基本放完时,c点电压下降到MOS管阀值电压左右,将通过D2使Q1进入放大区。此时C1对T1绕组由c到a放电电流达到最大值。同时由于Q1进入放大区,a点电压逐渐上升,同时通过D1使Q2也进入放大区。
6.(t2时间)C1放电完毕,T1绕组由c到a电流达到最大值,将像C1充电,使C1充电为a正c负的电压,同时C1两端电压正弦变大。此时两个MOS管同时进入放大区。
7.(右图)由于T1对C1的持续充电,C1上电压为a正c负,通过两个二极管使Q2栅极电压升高,Q1栅极逐渐下降,同时正反馈形成,Q2导通,Q1截止。
8.Q2导通与Q1导通过程类似。<br /> 9.L1电感值比T1大,整个震荡周期中L1电流基本不变。震荡过程中L1持续为LC振荡器补充电能。
〈烜芯微/XXW〉专业制造二极管,三极管,MOS管,桥堆等,20年,工厂直销省20%,上万家电路电器生产企业选用,专业的工程师帮您稳定好每一批产品,如果您有遇到什么需要帮助解决的,可以直接联系下方的联系号码或加QQ/微信,由我们的销售经理给您精准的报价以及产品介绍
联系号码:18923864027(同微信)
QQ:709211280