运放减法器是一种基于差分放大器的放大器,其主要功能是对输入信号进行差分运算和放大。它可以将两个输入信号进行相减,并将差值放大输出,从而实现对输入信号的放大和处理。
运放减法器的运算电路结构包括一个差分放大器和一个电阻网络。通过调整电阻网络中的电阻值,可以实现不同的差分放大倍数和滤波功能,从而满足不同的应用需求。
运放减法器是一种功能强大、应用广泛的放大器,具有很高的精度、稳定性和灵活性,可以实现信号的放大,还能进行差分运算和滤波等操作,被广泛应用于传感器信号处理、信号调理和滤波、自动控制系统等领域。
运放减法器电路分析
差分放大器
差分放大器只放大两个输入信号的差值,而不放大其公共部分(共模电压)。 这种特性称为:共模抑制。
在实际工况中,外部环境的噪声通常对两个输入端的影响是相同的,而差分放大器不会放大这种同时叠加到两个输入端的噪声,因此差分放大器可以比较有效地抵抗这种噪声的影响。
下图是一个比较简单的用运放构成的差分电路:


根据理想运放的虚短和0输入电流特性,可得到同相和反相输入端的电压表达式:


实现了差分放大。
减法电路
(1)使用差分放大器实现
有多种方法可以实现减法电路,一种就是使用上面的差分放大器,将四个电阻取值为:R1=R2=R3=R4时,上面的输出电压就变为了:


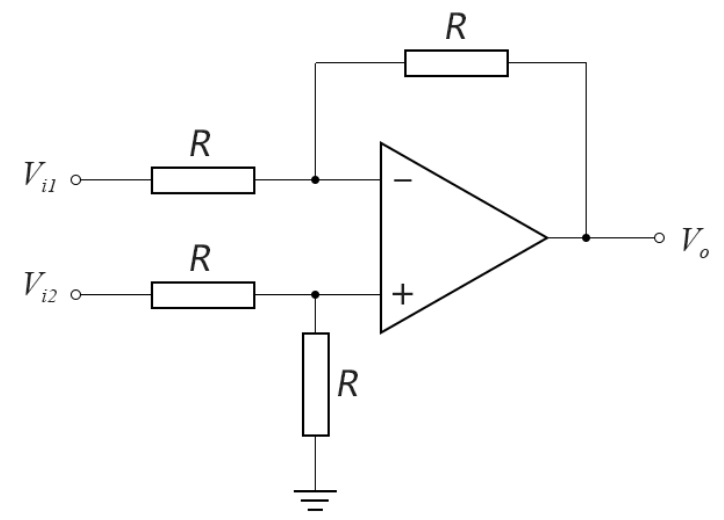
因此,上面的差分放大器又被称为减法器,我们重画差分减法器如下:


运放减法器应用领域
1、传感器信号处理
减法器运算放大器可以对传感器输出的微小信号进行放大和处理,使其达到足够的幅度,以便进行后续的数字转换和处理。例如在温度传感器、光电传感器等领域,减法器运算放大器都可以发挥很好的作用。
2、信号调理和滤波
减法器运算放大器可以对信号进行差分运算和滤波,从而消除噪声和干扰,提高信号的可靠性和精度。在音频信号处理、通信系统等领域,减法器运算放大器都有着广泛的应用。
3、自动控制系统
在自动控制系统中,减法器运算放大器可以实现对输入信号的放大和处理,从而实现对系统的控制和调节。例如在温度控制、液位控制、压力控制等领域,减法器运算放大器都可以发挥很好的作用。
〈烜芯微/XXW〉专业制造二极管,三极管,MOS管,桥堆等,20年,工厂直销省20%,上万家电路电器生产企业选用,专业的工程师帮您稳定好每一批产品,如果您有遇到什么需要帮助解决的,可以直接联系下方的联系号码或加QQ/微信,由我们的销售经理给您精准的报价以及产品介绍
联系号码:18923864027(同微信)
QQ:709211280