ams1117-5.0参数引脚图
输入电压 最大:18V
输出电流 最大:1A
输出电压 : 5.0V
功耗 :5W
输入电压 最?。?.2V
压差:1.3V@(800mA)
输出电流:800mA
电源纹波抑制比(PSRR):60dB@(120Hz)
工作温度范围: -20°C to +125°C(也有0°C to +125°C)
AMS1117系列稳压器有两个版本:固定输出版本和可调版本,固定输出电压为1.5V、1.8V、2.5V、2.85V、3.0V、3.3V、5.0V,具有1%的精度;固定输出电压为1.2V的精度为2%。
AMS1117引脚图


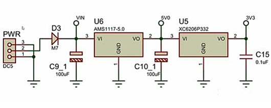
ams1117-5.0原理图


AMS1117-5.0是一种线性稳压器,其工作原理是将输入电压稳定在5V输出。因此,将12V的输入电压通过AMS1117-5.0可以得到稳定的5V输出电压。
ams1117电路图
AMS1117降压电路图如下图:


AMS1117芯片为正向低压差稳压器,内部集成过热?;ず拖蘖鞯缏?,其固定输出版本电压可为1.5V、1.8V、2.5V、2.85V、3.0V、3.3V、5.0V,设计采用3.3V输出即ASM1117-3.3芯片。
〈烜芯微/XXW〉专业制造二极管,三极管,MOS管,桥堆等,20年,工厂直销省20%,上万家电路电器生产企业选用,专业的工程师帮您稳定好每一批产品,如果您有遇到什么需要帮助解决的,可以直接联系下方的联系号码或加QQ/微信,由我们的销售经理给您精准的报价以及产品介绍
联系号码:18923864027(同微信)
QQ:709211280