晶闸管(硅可控元件),是由三个PN结构成的一个大功率半导体器件,多用于可控整流、逆变、调压等电路,也作为无触点开关??煽毓杩梢苑治ハ蚩煽毓韬退蚩煽毓枰约懊偶豆囟暇д⒐埽℅TO),符号如下图所示:


单向可控硅
单向可控硅内部结构示意图如下图所示:


单向可控硅由四层半导体材料组成,四层材料由P型半导体和N型半导体交替组成,它们的接触面构成了三个PN结。故单向可控硅也被称为四层器件。
P1区引出线为阳极A,N2引出线为阴极C,P2区引出线为控制极G。为了更好理解单向可控硅的工作原理,可以将单向可控硅拆为PNP型晶体管和NPN型晶体管相连。
单向可控硅工作原理
当单向可控硅的阳极A和阴极C之间施加正向电压,而控制极G不施加电压,则中间对应的PN结处于反偏(电场方向和PN结方向相反)——J2反向偏置,管子不导通,组处于阻断状态。
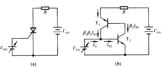
当单向可控硅阳极A和阴极C之间施加正向电压,且控制极G和阴极C之间也施加正向电压,如下图所示:


通过等效电路分析,T2管导通。若T2管的基极电流为IB2,则集电极电流为β2IB2;进一步有IBIC2=β2IB2:,从而IC1=β1IB1=β1β2IB2,又由于IB2=IC1,再一次进行上述放大过程,形成正反馈。
因在很短时间内(不超过几微秒)两只管子均进入饱和状态,使晶体管完全导通。晶体管一旦导通之后,控制极就失去作用,管子依靠内部的正反馈始终维持在导通状态(这是由于晶体管导通后,BG2的基极始终有BG1的集电极电流提供触发电流,因此控制极只在刚接上触发信号(电压)的那—瞬间才“触发”作用)。
单向可控硅导通之后,阳极和阴极之间的电压一般为0.6~1.2V。电源电压几乎全部加在负载上。阳极电流IA因型号不同可达几十到几千安。
单向可控硅的作用
1. 交流电的控制
单向可控硅最主要的用途就是用于交流电的控制和转换。在交流电路中,它可以用来实现电压的调节、电流的控制和开关的功能。例如,电炉加热和交流电机的调速都需要单向可控硅来完成。
2. 电源控制
单向可控硅还可以用于电源的控制。例如,手机充电器中的电源开关就是由单向可控硅来控制的。它可以实现对电源的开关和电流大小的调节。
3. 照明控制
单向可控硅还可以用于照明控制。在智能家居系统中,可以利用单向可控硅来控制灯光的亮度和开关。此外,单向可控硅还可以应用于防雷、防电击和电磁兼容等方面。
单向可控硅和双向可控硅的区别
单向可控硅是一种可控整流电子元件,它只能在一个方向上控制电流,即只能控制电流从一个端口流向另一个端口,而不能控制电流从另一个端口流向第一个端口。
双向可控硅具有两个方向轮流导通、关断的特性,它可以在两个方向上控制电流。
〈烜芯微/XXW〉专业制造二极管,三极管,MOS管,桥堆等,20年,工厂直销省20%,上万家电路电器生产企业选用,专业的工程师帮您稳定好每一批产品,如果您有遇到什么需要帮助解决的,可以直接联系下方的联系号码或加QQ/微信,由我们的销售经理给您精准的报价以及产品介绍
联系号码:18923864027(同微信)
QQ:709211280