BTL 是英文Balanced Transformer Less 的简写,BTL功率放大器是一种桥接式推挽电路,功率放大器的输出级与扬声器间采用电桥式的连接方式,主要解决OCL、OTL功放效率虽高,但电源利用率不高的问题。
BTL功率放大器主要用于一些要求输出功率比较大的场合,还用于一些低压供电的放音机中。
与OCL、OTL功放相比,在相同的工作电压和相同的负载条件下,BTL是它们输出功率的3至4倍.在单电源的情况下,BTL可以不用输出电容,电源的利用率为一般单端推挽电路的两倍,适用于电源电压低而需要获得较大输出功率的场合,在新型的集成功放电路中应用比较广泛。


简单的BTL放大器是两个极性相反的OTL放大器或无变压器的OCL放大器推动的。
BTL功率放大器工作原理
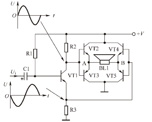
图所示是BTL-Ui功率放大器的电路结构示意图。这种功率放大器由两组功率放大器构成,扬声器BL1接在两组功率放大器的输出端之间。同时,要给两个功率放大器输入大小相等、相位相反的信号。


基本工作原理是:在输入信号Ui为正半周期间,输入信号-Ui为负半周,输入信号Ui经放大器1放大后从其输出端输出,这一输出信号在输出端为正半周信号。与此同时,输入信号-Ui经放大器2放大后从其输出端输出,这一输出信号为负半周。这样,流过扬声器BL1的电流方向为从上而下。
当输入信号变化了半周后,输入信号Ui为负半周,-Ui为正半周,这时两个输入信号经过各自的放大器放大后,放大器2输出端输出的是正半周信号,而放大器1输出端输出的是负半周信号,这时信号电流是从下而上地流过扬声器BL1,在BL1中得到了一个完整的信号。
BTL功率放大器电路特点
(1)输出功率与OTL 电路相比,在相同直流工作电压+V 和扬声器阻抗相等时,输出功率是OTL 电路的4 倍。由此可知,BTL 功率放大器的输出功率大,在较低直流工作电压下也能获得较大的输出功率,所以可以用于一些低压供电的机器中作为功率放大器。
(2)功放输出级所用元器件比OTL 输出级多一倍,即两组OTL(或两组OCL)电路才能组成一组BTL 电路。
(3)输出端无耦合电容,而且扬声器不接地,即所谓的负载浮地,这对修理不方便,扬声器很容易烧坏,这一点与OCL 电路相同。通常,在扬声器回路中串一只保险丝对扬声器进行过流?;?,但是这种?;さ男Ч患眩杂械纳栌凶诺难锷鞅;さ缏?。
(4) BTL 输出级实际上由两组OTL 电路组成,这样就需要有两个大小相等、相位相反的激励信号。电路中需要有分负载放大器,也有些BTL 电路采用自倒相方式,即利用一组OTL 电路的输出信号经衰减后送到另一组OTL电路的反向输入端。
BTL功率放大器的电路分析
(1)流过扬声器的信号电流是从一组电路输出端流出,流入另一组电路的输出端,当输入信号变化了半周之后,扬声器中的信号电流方向相反。
(2)分析BTL 功率放大器时,主要分析输入端的信号源电路,即产生大小相等、相位相反两个信号的电路。分析分负载放大器时,主要了解集电极电阻等于发射极电阻,集电极电流约等于发射极电流。
(3)扬声器不接地,并不是说扬声器某一端与地之间没有直流电压,只是扬声器两根引脚之间没有直流电压,所以没有直流电流流过扬声器。修理中,切不可将扬声器的某一根引脚直接接地,否则会有很大的直流电流流过扬声器,烧坏扬声器。当BTL 输出级出现故障时,两组电路输出的直流电压不相等,将有很大的直流电流流过扬声器,扬声器也会被烧坏。
分立元器件BTL功率放大器


图所示是分立元器件BTL 功率放大器原理电路。电路中,VT1 构成分负载放大级(也是推动级放大器),VT2~VT5 构成输出级放大器。
集成电路BTL功率放大器


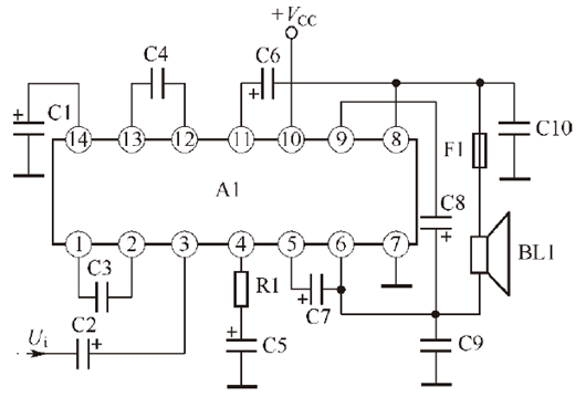
图所示是单声道BTL 音频功率放大器集成电路。电路中,集成电路A1 内电路中具有两组OTL 音频功率放大器集成电路(因为采用单电源供电),还加入特殊的信号衰减电路(用于获得两个大小相等、相位相反的激励信号), Ui是输入信号,BL1 是扬声器。
〈烜芯微/XXW〉专业制造二极管,三极管,MOS管,桥堆等,20年,工厂直销省20%,上万家电路电器生产企业选用,专业的工程师帮您稳定好每一批产品,如果您有遇到什么需要帮助解决的,可以直接联系下方的联系号码或加QQ/微信,由我们的销售经理给您精准的报价以及产品介绍
联系号码:18923864027(同微信)
QQ:709211280