常用的门电路在逻辑功能上有与门、或门、非门、与非门、或非门、与或非门、异或门等几种。逻辑门电路通常使用晶体管、集成电路或其他电子元件实现。
逻辑门电路可以用于数字电路、计算机、通信和控制系统等领域。在数字电路中,逻辑门电路用于处理和操作数字信号,从而实现不同的功能和任务。在计算机中,逻辑门电路构成了计算机的基本组成部分,用于执行算法和程序。在通信和控制系统中,逻辑门电路用于解码、编码、调制、解调等操作。
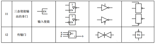
电路逻辑门图形符号






注:在表的第三列列出了限定符号,限定符号有总限定符号、输入/输出限定符号、内部连接符号、方框内符号、非逻辑连接和信息流指示符号等。
总限定符号用于表征逻辑单元的总逻辑功能,输入/输出限定符号标注在方框内输入端或输出端,用于说明输入或输出的功能消息等等。
〈烜芯微/XXW〉专业制造二极管,三极管,MOS管,桥堆等,20年,工厂直销省20%,上万家电路电器生产企业选用,专业的工程师帮您稳定好每一批产品,如果您有遇到什么需要帮助解决的,可以直接联系下方的联系号码或加QQ/微信,由我们的销售经理给您精准的报价以及产品介绍
联系号码:18923864027(同微信)
QQ:709211280