tp4056充电管理芯片
TP4056是一种常用的单节锂电池恒定电流/恒定电压线性充电管理芯片,它采用线性充电模式,可通过微USB接口供电,并具有过流、短路?;さ榷嘀职踩啤F涞撞看猩⑷绕腟OP8/MSOP8封装与较少的外部元件数目使得TP4056成为便携式应用的理想选择。TP4056被广泛应用于各种小型便携式电子设备中,例如手机、平板电脑、手持游戏机等。


tp4056引脚功能
TEMP(引脚 1):电池温度检测输入端。将TEMP 管脚接到电池的 NTC 传感器的输出端。如果TEMP 管脚的电压小于输入电压的45%;或者大于输入电压的 80%,意味着电池温度过低或过高,则充电被暂停。如果 TEMP 直接接 GND,电池温度检测功能取消,其他充电功能正常。
PROG(引脚 2):恒流充电电流设置和充电电流监测端。从 PROG 管脚连接一个外部电阻到地端可以对充电电流进行编程。在预充电阶段,此管脚的电压被调制在 0.1V;在恒流充电阶段,此管脚的电压被固定在 1V。在充电状态的所有模式,测量该管脚的电压都可以根据下面的公式来估算充电电流:


GND(引脚 3):电源地。
Vcc(引脚 4):输入电压正输入端。此管脚的电压为内部电路的工作电源。当 Vcc与 BAT 管脚的电压差小于 30mV 时,TP4056将进入低功耗的?;J?,此时 BAT 管脚的电流小于 2uA。
BAT(引脚 5):电池连接端。将电池的正端连接到此管脚。在芯片被禁止工作或者睡眠模式,BAT 管脚的漏电流小于 2uA。BAT管脚向电池提供充电电流和 4.2V 的限制电压。
STDBY(引脚 6):电池充电完成指示端。当电池充电完成时被内部开关拉到低电平,表示充电完成。除此之外,管脚将处于高阻态。(原理图中LED2点亮,LED1熄灭)。
CHRG(引脚 7):漏极开路输出的充电状态指示端。当充电器向电池充电时,管脚被内部开关拉到低电平,表示充电正在进行;充电完成后管脚处于高阻态。(原理图中LED2熄灭,LED1点亮)。
CE(引脚 8):芯片始能输入端。高输入电平将使 TP4056 处于正常工作状态;低输入电平使 TP4056 处于被禁止充电状态。CE 管脚可以被 TTL 电平或者 CMOS 电平驱动。
tp4056特点
1、高达1000mA的可编程充电电流
2、无需MOSFET、检测电阻器或隔离二极管
3、用于单节锂离子电池、采用SOP封装的完整线性充电器
4、恒定电流/恒定电压操作,并具有可在无过热危险的情况下实现充电速率最大化的热调节功能
5、精度达到±1%的4.2V预设充电电压
6、用于电池电量检测的充电电流监控器输出
7、自动再充电
8、充电状态双输出、无电池和故障状态显示
9、C/10充电终止
10、待机模式下的供电电流为55uA
11、2.9V涓流充电
12、软启动限制了浪涌电流
13、电池温度监测功能
14、采用8引脚SOP-PP封装
tp4056充电过程分析
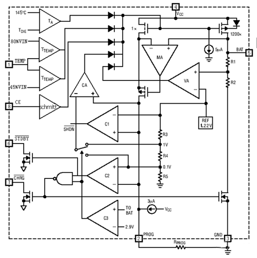
内部电路框图如下:


芯片采用了内部 PMOSFET 架构,加上防倒充电路,无需增加外部隔离二极管。热反馈可对充电电流进行自动调节,以便在大功率操作或高环境温度条件下对芯片温度加以限制。充电电压固定于 4.2V,而充电电流可通过一个电阻器进行外部设置。当充申电流在达到最终浮充电压之后降至设定值 1/10 时,TP4056 将自动终止充电循。
电池充电过程
管理芯片对电池的充电先进行恒流充电,后恒压充电,1000mA充电电流/电压曲线图如下:


具体流程为:
(1)当电池电压低于 3V时,管理芯片采用小电流对电池进行预充电。
(2)当电池电压超过 3V 时,充电器采用恒流模式对电池充电,充电电流由 PROG电阻决定(1000mA为1.2K)。
(3)当电池电压接近 4.2V 电压时,充电电流逐渐减小,TP4056进入恒压充电模式。
(4)当充电电流减小到充电结束闯值时,充电周期结束,CHRG 端输出高阻态(红色LED灭),STDBY 端输出低电平(绿色LED亮)。
(5)当电池电压降至4.05V(对应电池电量约为80~90%),管理芯片重新启动充电循环。
tp4056充电电路图


TP4056接收来自微USB端口的电源输入,在经过整流滤波后将直流电压输出到芯片的正负极引脚(DP和DM)。此时,芯片会自动检测输入电流的大小,并根据1号或8号引脚所连接的电阻值设定相应的充电电流。同时,通过5号引脚将锂电池连接到TP4056芯片上,使其开始充电。当充电完成时,PG引脚将输出高电平表示充电完成,此时芯片也会停止充电。
在使用TP4056时,还需要注意一些细节问题。例如,在充电过程中,如果发现PG引脚一直输出低电平,说明充电未开始或已经出现故障。此时需要检查输入电压是否正常、芯片是否损坏等问题。
锂电池充电电路图分享(基于TP4056)

〈烜芯微/XXW〉专业制造二极管,三极管,MOS管,桥堆等,20年,工厂直销省20%,上万家电路电器生产企业选用,专业的工程师帮您稳定好每一批产品,如果您有遇到什么需要帮助解决的,可以直接联系下方的联系号码或加QQ/微信,由我们的销售经理给您精准的报价以及产品介绍

〈烜芯微/XXW〉专业制造二极管,三极管,MOS管,桥堆等,20年,工厂直销省20%,上万家电路电器生产企业选用,专业的工程师帮您稳定好每一批产品,如果您有遇到什么需要帮助解决的,可以直接联系下方的联系号码或加QQ/微信,由我们的销售经理给您精准的报价以及产品介绍
联系号码:18923864027(同微信)
QQ:709211280