可变增益放大器(VGA)用于多种远程检测和通信设备中,能够为需要高动态范围的信号链提供出色的性能。从超声波、雷达、激光雷达、无线通信到语音分析等应用都利用VGA来提供杰出的性能。
可变增益放大器原理
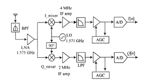
模拟电路需要对信号进行放大或衰减,这一功能可由可变增益放大器(VGA)实现。它在无线通信的收/发信机模拟前端中,起着至关重要的作用。图 1 是用于 GPS 的接收机模拟前端图。处于基波频率的 VGA 补偿射频??楹椭衅的?榈脑鲆嫠ゼ酰籚GA 将输出信号放大到 A/D 转换器需要的幅度。AGC 环路改变接收机的增益,调整各级信号动态范围,稳定输出信号功率的作用。


对于 VGA 电路,IIP3 和 THD 是重要的指标,因为它的输出信号幅度很大。其次,为了实现宽增益范围调节,同时保持不同增益输入功率下恒定的输出建立时间,要求 VGA 的增益与控制电压成 dB 线性。VGA 增益步长越小越 ,则对 ADC 的要求越降低。在文中,数字控制的 VGA 电路提供了 30 dB 的增益控制范围,使用 7b 控制增益大小,所耗面积和功耗小。
可变增益放大器电路图设计
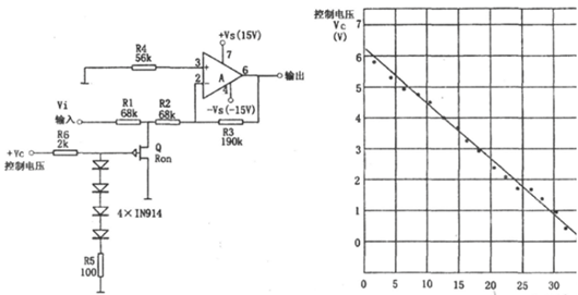
如图所示为压控增益放大电路:


利用场效应管栅极电压与漏-源极电阻RSD之间成近似对数关系可构成压控增益放大器。该电路采用集成芯片LM307作为放大电路,采取反相输入形式。
由图(a)可知,RSD与R1组成分压电路(对Vi分压)。4个1N914二极管的管压降与电阻R5的压降之和等于场效应管的栅极电压VG。该VG与控制电压VC呈非线性关系,但控制电压VC与放大器增益的衰减量的对应关系如图(b)所示。
由图(b)可知,控制电压VC越大,放大器增益的衰减量越小,即当VC≥7V时,放大器的增益最大(衰减最?。?;当VC=0V时,放大器增益的衰减量最大(增益最?。?/div>
图(a)所示电路增益的最大值和最小值为:
当VC≥7v时,增益的最大值为:Avmax=-R3/(R1+R2)。
当VC=0V时,增益的最小值为:Avmin=-R3/(R2//RSD+R1)。
电路的上限截止频率取决于R1和场效应管极间电容所构成的低通滤波器。对于图(a)所示元件参数,其最坏上限截止频率可达1.8MHz,该数值是在VC≥7V的情况下测得的(即电路增益最大时测得的)。
可变增益放大器电路图设计
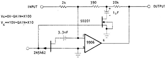
宽频带可变增益电路:


场效应晶体管可作为在光电9906运算放大器的反馈回路中的纯增益控制设备。电阻式T网络将SD201MOS晶体管用作接地脚,电阻值的选择是为了晶体管电力地靠近求和点和自动地限制信号总和。
〈烜芯微/XXW〉专业制造二极管,三极管,MOS管,桥堆等,20年,工厂直销省20%,上万家电路电器生产企业选用,专业的工程师帮您稳定好每一批产品,如果您有遇到什么需要帮助解决的,可以直接联系下方的联系号码或加QQ/微信,由我们的销售经理给您精准的报价以及产品介绍
联系号码:18923864027(同微信)
QQ:709211280
相关阅读