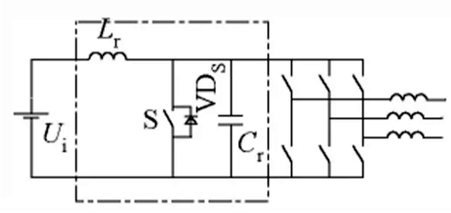
准谐振电路,原理图
准谐振电路中电压或电流的波形为正弦半波,因此称为准谐振。是最早出现的软件开关电路。
特点:
谐振电压峰值很高,要求器件耐压必须提高;
谐振电流有效值很大,电路中存在大量无功功率的交换,电路导通损耗加大;
谐振周期随输入电压、负载变化而改变,因此电路只能采用脉冲频率调制方式来控制。
1.零电压开关准谐振电路(Zero-Voltage-Switching Quasi-Resonant Converter -ZVS QRC)


2.零电流开关准谐振电路(Zero-Current-Switching Quasi-Resonant Converter -ZCS QRC)


3.电压多开关谐振电路(Zero-Voltage-Switching Multi-Resonant Converter -ZCS MRC)


4.用于逆变器谐振直流环电路

〈烜芯微/XXW〉专业制造二极管,三极管,MOS管,桥堆等,20年,工厂直销省20%,上万家电路电器生产企业选用,专业的工程师帮您稳定好每一批产品,如果您有遇到什么需要帮助解决的,可以直接联系下方的联系号码或加QQ/微信,由我们的销售经理给您精准的报价以及产品介绍

〈烜芯微/XXW〉专业制造二极管,三极管,MOS管,桥堆等,20年,工厂直销省20%,上万家电路电器生产企业选用,专业的工程师帮您稳定好每一批产品,如果您有遇到什么需要帮助解决的,可以直接联系下方的联系号码或加QQ/微信,由我们的销售经理给您精准的报价以及产品介绍
联系号码:18923864027(同微信)
QQ:709211280