功率放大器一般也被我们称为电压放大器,主要是把微弱信号进行电压放大,其输入输出的电压电流一般很小,不能够只能驱动功率较大的仪器。为了满足使用需求,需要在放大器末级增加功率放大器。而功率放大器主要就是放大信号功率,同时放大电压电流,所以也属于大信号放大器。
常见的功率放大器电路图
一、双电源互补对称功率放大器(OCL电路)

图:OCL电路原理图
OCL电路的电路结构如上图所示。该电路主要由VT1(NPN型)和VT2(PNP型)和负载组成。它由两组正负相等的电源供电。信号是Ui,从两管的基极输入,负载是Rl。VT1又称上功率输出管,而VT2又称下功率输出管。
OCL电路的工作原理:当信号电压是正半周的时候,VT1正向导通,VT2截止,+VCC通过VT1的c-e结,流过负载,从而在负载上得到放大后的正半周信号;
当信号电压是负半周的时候,VT1截止,VT2正向导通,-VCC经负载与VT2的e-c结到负电源,从而在负载上获得放大的负半周信号。正负半周信号在负载上合成全波。
该电路之所以称为互补对称电路,是因为两管交替工作,相互补充。
这种电路功率大,效率高,应用范围广,主要用于场输出集成电路和平行四边形校正电路。
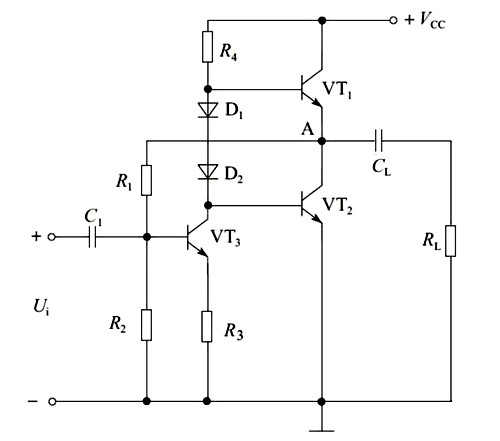
二、单电源互补对称功率放大器(OTL电路)

图:OTL电路原理图
OCL电路需要两个电源,使用起来很不方便。因此,可以采用单电源供电的互补对称功放电路,也称为OTL电路。如上图所示。
图中VT3是前置放大管,VT1、VT2组成互补对称输出级,D1、D2提供偏置并具有温度补偿。C1是信号输入耦合电容,CL是输出耦合电容。R1、R2和R3提供偏置。A点是功放的中点,其正常工作电压为VCC/2。CL是一个相当于VCC/2的超大容量电源。
OTL电路工作原理:在Ui的负半周,VT3导通下降,集电极电压升高,使得VT1导通加强,VT2截止。VCC通过VT1、RL对CL充电,其充电电流在负载RL中产生自上而下的电流(ic1),在负载处形成输出电压Uo的正半周。
同时,电容器CL被充以“左正右负”的电压。在Ui的正半周,VT3导通增多,VT1截止,VT2导通,CL上的电压通过Q2、RL放电,放电电流产生自下而上的电流(ic2),它形成输出电压Uo负半周。结果是负载得到放大的输出信号Uo。
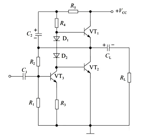
该电路存在动态范围较小和最大输出电压幅值不足的问题。随着VT3集电极电压升高,VT1因基极电位升高而导通,导通越强,中点电压越高,使得正偏置电压Vbe1下降,VT1的动态范围减小,最大输出电压太小。解决方法是加一个自举电容C2和电阻R5,如下图所示。

图:增加电容和电阻后的OTL电路原理图
〈烜芯微/XXW〉专业制造二极管,三极管,MOS管,桥堆等,20年,工厂直销省20%,上万家电路电器生产企业选用,专业的工程师帮您稳定好每一批产品,如果您有遇到什么需要帮助解决的,可以直接联系下方的联系号码或加QQ/微信,由我们的销售经理给您精准的报价以及产品介绍
联系号码:18923864027(同微信)
QQ:709211280