Boost升压电路选择电感
BOOST电源架构是一种非常经典的升压电源方案,它是利用开关管开通和关断的时间比率,维持稳定输出的一种开关电源,它以小型、轻量和高效率的特点被广泛应用在各行业电子设备,是不可缺少的一种电源架构。

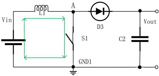
开关闭合时,充电路径见上图绿色回路,此时给电感充电,可以列出方程:

其中:
Vi:输入电压 L:电感量 △Ion:充电时电感电流纹波
D:开关的占空比 T:开关周期,是频率f的倒数

η是boost的效率,开关电源效率一般是比较高的,如果只是近似计算,效率可以取90%。

最后一个公式,电源的输出总电流,是直流电基础之上,叠加的交流电流,我们需要计算直流加交流时的最大电流:

从推导的公式可以看出,选择大电感时,产生的纹波也小,可以降低电感器的磁滞损耗和 EMI。但同样地,物极必反,负载瞬态响应时间增加。
〈烜芯微/XXW〉专业制造二极管,三极管,MOS管,桥堆等,20年,工厂直销省20%,上万家电路电器生产企业选用,专业的工程师帮您稳定好每一批产品,如果您有遇到什么需要帮助解决的,可以直接联系下方的联系号码或加QQ/微信,由我们的销售经理给您精准的报价以及产品介绍
联系号码:18923864027(同微信)
QQ:709211280