计算方法
输入阻抗:通过在输入端加上一个电压源U,测试输入端的电流I,则输入阻抗Rin=U/I。输入阻抗越大越好,电阻越大,可以得到的分压越大,驱动能力越强。输入阻抗越大,相对应的电源内阻就会显得越小。
输出阻抗:又称为内阻,不接负载的情况下测得输出端的电压U/I。因此Ro越小越好,因为内阻越小,自身损耗也就越小,带负载能力就越强。
计算举例
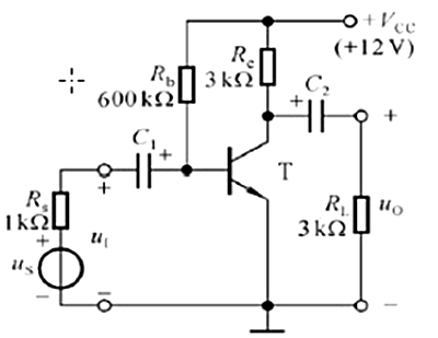
如图所示为阻容耦合共射放大电路,取β = 100,rbe = 1k

其交流等效模型:

则电路放大倍数:

信号源放大倍数:

输入阻抗:Ri = Rb // rbe
输出阻抗:Ro = Rc
〈烜芯微/XXW〉专业制造二极管,三极管,MOS管,桥堆等,20年,工厂直销省20%,上万家电路电器生产企业选用,专业的工程师帮您稳定好每一批产品,如果您有遇到什么需要帮助解决的,可以直接联系下方的联系号码或加QQ/微信,由我们的销售经理给您精准的报价以及产品介绍
联系号码:18923864027(同微信)
QQ:709211280