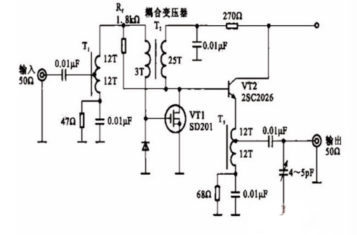
负反馈放大电路图(一)
电路原理:图示为一种采用负反馈方式的宽带放大电路,该电路放大器均采用变压器耦合方式,放大部分采用场效应晶体管和晶体三极管相结合的方式。
电路中,输入信号经耦合电容器加到变压器TI绕组的中心抽头,再经变压器T2的初级绕组加到场效应晶体管的栅极上,这种方式具有阻抗转换的功能,将50n输入阻抗提高到200n,变压器Tz的次级绕组又是VT1的满极负载,放大器的增益取决于T2的次级绕组(25/3=8,33)。
VT2是射极输出放大器方式,通过线圈抽头的选择可得到5011的输出阻抗。

负反馈放大电路图(二)
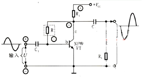
图1为两级共射放大电路,图2为带有电压串联负反馈的两级共射放大电路,其反馈网络由R11,C6,R4组成,它可构成交流负反馈电路。

静态工作点分析
由于采用的是交流负反馈,理论上分析加入反馈网络后电路的直流工作状态应该不变。在Protel99se平台上,选择Simulate下拉菜单,点击Run项,在*.sdf图下方点击OpraTIngPoint就可显示图1和图2电路的静态工作点,发现两个电路的静态工作点是相同的,这与理论分析结果一致。

负反馈放大电路图(三)
并联负反馈放大器
如图3-33所示为常见并联负反馈放大器。其中电阻器R为电压负反馈元件,电阻器R的左端直接与输入端相连,右端又直接与输出端相连,将输入与输入回路联系起来了。

首先假设某瞬时输入信号为正极(+),由于共发射极晶体管放大器输出的电压极性与输入的相反,为负极(-),通过反馈元件R,将负极性的反馈信号加到基极(b),与信号源假设极性相反,使电压减小,所以反馈元件R为负反馈。
然后,将放大器的输出端对地交流短接,通过电容器C2晶体管集电极就会交流接地,此时就没有信号通过负反馈元件R反馈到晶体管基极上,电路就不存在负反馈信号了,所以这是电压负反馈电路。
〈烜芯微/XXW〉专业制造二极管,三极管,MOS管,桥堆等,20年,工厂直销省20%,上万家电路电器生产企业选用,专业的工程师帮您稳定好每一批产品,如果您有遇到什么需要帮助解决的,可以直接联系下方的联系号码或加QQ/微信,由我们的销售经理给您精准的报价以及产品介绍
联系号码:18923864027(同微信)
QQ:709211280