低频功率放大器电路
电压放大器,任务是将微弱的信号进行电压放大。其输入和输出的电压电流都比较小,不能直接驱动功率较大的设备。为满足要求,这就要在放大器的末级增加功率放大器。功率放大器的任务是放大信号的功率(电压和电流都要放大),因此属于大信号放大器。下面介绍电子设备中常用的几种低频功率放大器。
双电源互补对称功率放大器(OCL电路)
OCL电路的电路组成如图2-18所示。该电路主要由VT1(NPN型)和VT2(PNP型)及负载构成,采用正、负相等的两组电源供电,信号为Ui,从两管的基极输入,负载为Rl,VT1又称为上功率输出管,VT2称下功率输出管。
OCL电路的工作原理:当信号电压为正半周时,VT1正向导通,VT2截止,+VCC通过VT1的c-e结,流过负载,在负载上得到放大了的正半周信号;
当信号电压为负半周时,VT1截止,VT2正向导通,-VCC流过负载和VT2的e-c结到负电源,在负载上得到放大了的负半周信号;正负半周信号在负载上合成为全波。两管交替工作,互为补充,所以该电路称为互补对称电路。
这种电路输出功率大、效率高、应用广,在显示器中主要用在场输出集成电路以及平行四边形校正电路中。

图2-18 OCL电路原理图
单电源互补对称功率放大器(OTL电路)
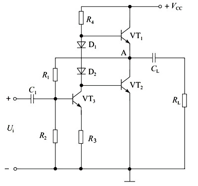
由于OCL电路需要两个电源,在某些场合使用多有不便,为此,可采用单电源供电的互补对称功放电路,又称OTL电路。如图2-19所示即为OTL电路原理图。
图中,VT3为前置放大管,VT1、VT2组成互补对称输出级,D1、D2提供偏置,并有温度补偿作用。C1为信号输入耦合电容,CL为输出耦合电容。R1、R2、R3提供偏置。A点为功放中点,其正常工作电压为VCC/2。CL容量很大,相当于一个VCC/2的电源。

图2-19 OTL电路原理图
OTL电路的工作原理:在Ui的负半周,VT3导通程度减弱,集电极电压升高,引起VT1导通加强,VT2截止。VCC经过VT1、RL对CL充电,其充电电流在负载RL上产生自上而下的电流(ic1),在负载上形成输出电压Uo正半周。
同时,电容CL被充上了“左正右负”的电压。在Ui的正半周,VT3导通程度增大,VT1截止,VT2导通,CL上的电压经Q2、RL放电,其放电电流在负载RL上产生自下而上的电流(ic2),在负载上形成输出电压Uo负半周。其结果是在负载上得到放大了的输出信号Uo。
该电路存在动态范围小、最大输出电压幅值不够的问题。当VT3集电极电压升高时,VT1因基极电位升高而导通,导通越强,中点电压升高越多,这样会使正偏电压Vbe1下降,VT1动态范围变小,最大输出电压偏小。
解决办法是增加一个自举电容C2和电阻R5,如图2-20所示即为增加电容和电阻后的OTL电路原理图。
加入C2后,由于其容量较大,其两端电压可视为不变。当VT1导通使中点电压升高时,C2正极电压也跟着升高,使VT1基极电位升高而获得正常偏压,保证了VT1的大电流输出。
电阻R5为隔离电阻,将电源与C2隔开,使C2上自举的电压不被电源吸收。由于加入电容器C2和电阻R5后使VT1基极电位自动升高获得正常偏压,所以,电容C2和电阻R5组成的电路又称为自举电路,C2称为自举升压电容。
OTL电路被广泛应用在显示器、彩电场输出电路及各种音频功率放大电路。

图2-20 增加电容和电阻后的OTL电路原理图
〈烜芯微/XXW〉专业制造二极管,三极管,MOS管,桥堆等,20年,工厂直销省20%,上万家电路电器生产企业选用,专业的工程师帮您稳定好每一批产品,如果您有遇到什么需要帮助解决的,可以直接联系下方的联系号码或加QQ/微信,由我们的销售经理给您精准的报价以及产品介绍
联系号码:18923864027(同微信)
QQ:709211280