导电沟道机理:
如果外部不加控制电压就有导电沟道的是耗尽型。
如果需要外部加控制电压才有导电沟道的是增强型。
为什么N沟道增强型MOS管的存在饱和区?
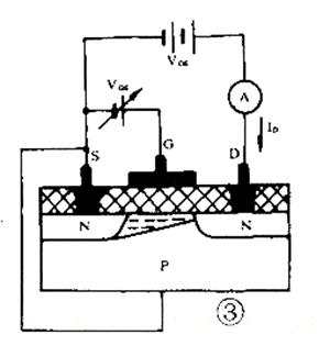
首先明白N沟道增强型MOS管的结构:N管一定是P型衬底,(P管一定是N型衬底,P型衬底的的载流子是电子),在P型衬底上用扩散法制作两个高掺杂浓度的N区。
然后在P型硅表面生长一层很薄的二氧化硅绝缘层,并二氧化硅表面个两个N区表面各安置一个电极,形成栅极g、源级s和漏级d。
1.当栅源之间加正向电压Vgs,且Vgs>=Vt(Vt为开启电压)时,栅极和衬底之间形成足够强的电场,吸引衬底中的少数载流子(电子),使其聚集在栅极的衬底表面,形成N型反型层,该型层就构成了d、s间的导电沟道。
若此时漏级和源级之间夹电压,将会有漏级电流产生。对于初学者,这也能解释为什么N型MOS管高电压导通,低电压截止。
2.当Vgs<Vt,MOS管截止;

3.当Vds<=Vgs-Vt,工作在线性区;
4.当Vds>Vgs>-Vt,工作在饱和区。
有了上面的基础,就可以解释为什么N沟道增强型MOS管的存在饱和区?
也就是预夹断出现的原因。这个对于N沟道增强型MOS管而言,只要Vgs>=Vt,就会出现反型层,也就是在S、D两个高浓度掺杂区之间出现N区,N沟道由此得名。
然后在Vds之间加了电压,这里你注意,D是连接电源正极,根据电子带负电的特性,既然D是正极,在电场力作用下,反型层中的电子就会被吸引到电源正极D,越靠近S,电场能量越小,吸引力越弱,这就导致了反型层在D端比较窄;
而在S端比较宽的情况,如果Vds继续增大,电场越强,吸引电子能力越强,反型层靠近D端的自由电子最终被全部吸引到D区,这样在靠近D端的地方就出现了载流子浓度极低的情况,也就是夹断区出现了。
MOS管与逻辑门电路
1.两个N型MOS管并联,形成“与”逻辑;两个N型MOS管串联,形成“或”逻辑。
2.CMOS管总是P管在上,N管在下,成对出现,并且有对偶关系,也就是如果上面是串联,则下面一定是并联;如果上面是并联,则下面一定是串联。


〈烜芯微/XXW〉专业制造二极管,三极管,MOS管,桥堆等,20年,工厂直销省20%,上万家电路电器生产企业选用,专业的工程师帮您稳定好每一批产品,如果您有遇到什么需要帮助解决的,可以直接联系下方的联系号码或加QQ/微信,由我们的销售经理给您精准的报价以及产品介绍
联系号码:18923864027(同微信)
QQ:709211280