在我们所用的电子电路中,不外分几种,分别为电源电路、放大电路、振荡电路、数字逻辑电路、数字信号处理电路等。在这些电路中,又数放大电路应用最多,穿插在其它电路中。所以放大电路可以说是学习电子技术必须要掌握的内容。
放大电路计算的技巧(举例说明)
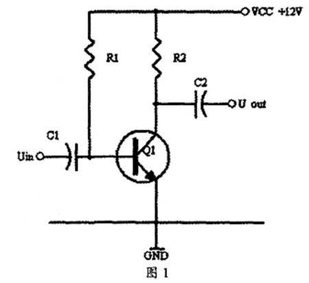
放大电路的核心元件是三极管,所以要对三极管要有一定的了解。用三极管构成的放大电路的种类较多,我们用常用的几种来解说一下(如图1)。

图1是一共射的基本放大电路
一般我们对放大路要掌握些什么内容?
(1)分析电路中各元件的作用;
(2)理解放大电路的放大原理;
(3)能分析计算电路的静态工作点;
(4)理解静态工作点的设置目的和方法。
以上四项中,最后一项较为重要,却是较少解说得通透的一项。
图1中,C1 ,C2 为耦合电容,耦合就是起信号的传递作用,电容器能将信号从前级耦合到后级,是因为电容两端的电压不能突变,在输入端输入交流信号后,因两端的电压不能突变,输出端的电压会跟随输入端输入的交流信号一起变化,从而将信号信号从输入端耦合到输出端。但有一点要说明的是,电容两端的电压不能突变,但不是不能变。
R1 、R2 为三极管 Q1的直流偏置电阻 ,什么叫直流偏置?简单来说,做工要吃饭。要求三极管工作,必先要提供一定的工作条件,电子元件一定是要求有电能供应的了,否则就不叫电路了。
在电路的工作要求中,第一条件是要求要稳定。所以,电源一定要是直流电源,所以叫直流偏置。为什么是通过电阻来供电?电阻就象是供水系统中的水龙头,用调节电流大小的。所以,三极管的三种工作状态:"载止、饱和、放大”就由直流偏置 决定,在图1中,也就是由 R1 、R2来决定了。
首先,我们要知道如何判别三极管的三种工作状态,简单来说,判别工作于何种工作状态可以根据 Uce 的大小来判别,Uce 接近于电源电压VCC,则三极管就工作于载止状态,载止状态就是说三极管基本上不工作,le 电流较?。ù笤嘉悖?R2由于没有电流流过,电压接近0V,所以 Uce 就接近于电源电压VCC。
若 Uce 接近于0V, 则三极管工作于饱和状态,何谓饱和状态?就是说,lc电流达到了最大值,就算 lb 增大,它也不能再增大了。
以上两种状态我们一般称为开关状态,除这两种外,第三种状态就是放大状态,一般测 Uce 接近于电源电压的一半。若测Uce 偏向VCC, 则三极管趋向于载止状态,若测Uce 偏向0V, 则三极管趋向于饱和状态。教学上,一般以放大状态来解说三极管电路的。
理解静态工作点的设置目的和方法
放大电路,就是将输入信号放大后输出,(一般有电压放大,电流放大和功率放大几种,这个不在这讨论内)。
先说我们要放大的信号,以正弦交流信号为例说。在分析过程中,可以只考虑到信号大小变化是有正有负,其它不说。上面提到在图1放大电路电路中,静态工作点的设置为Uce接近于电源电压的一半,为什么?
这是为了使信号正负能有对称的变化空间,在没有信号输入的时候,即信号输入为0,假设Uce为电源电压的一半,我们当它为一水平线,作为一个参考点。
当输入信号增大时,则Ib增大,Ic电流增大,则电阻R2的电压U2=Ic x R2会随之增大,Uce=VCC-U2,会变小。U2最大理论上能达到等于VCC,则Uce最小会达到0V,这是说,在输入信增加时,Uce最大变化是从1/2的VCC变化到0V。
同理 ,当输入信号减小时,则 lb 减小,lc 电流减小,则电阻 R2 的电压 U2=lc x R2 会随之减小,Uce=VCC- U2, 会变大。在输入信减小时, Uce最大变化是从1/2 的VCC变化到 VCC。
这样,在输入信号一定范围内发生正负变化时, Uce 以 1/2VCC 为准的话就有一个对称的正负变化范围 , 所以一般图1静态工作点的设置为Uce接近于电源电压的一半。
要把 Uce设计成接近于电源电压的一半, 这是我们的目的,但如何才能把Uce设计成接近于电源电压的一半?
这里要先知道几个东西 ,第一个是 我们常说的lc、lb, 它们是三极管的集电极电流和基极电流,它们有一个关系是Ic=β x Ib, lc、lb 是多大才合适?这个问题比较难答,因为牵涉的东西比较的多,但一般来说,对于小功率管,一般 设 lc在零点几毫安到几亳安,中功率管则在几亳安到几十毫安,大功率管则在几十毫安到几安。
在图1中,设lc为2mA, 则电阻 R2 的阻值就可以由R=U/I来计算,VCC为 12V, 则 1/2VCC 为 6V, R2 的阻值为6V/2mA, 为 3kΩ, lc 设定为2毫安 ,则 lb 可由 lb= lc/β 推出,关健是 β的取值了,β一般理论取值100 , 则 lb =2mA/100=20uA, 则 R1 =(VCC -0.7V)/Ib =11.3V/20uA =56.5kΩ,但实际上,小功率管的β值 远不止100, 在 150 到 400 之间,或者更高,所以若按上面计算来做,电路是有可能处于饱和状态的。
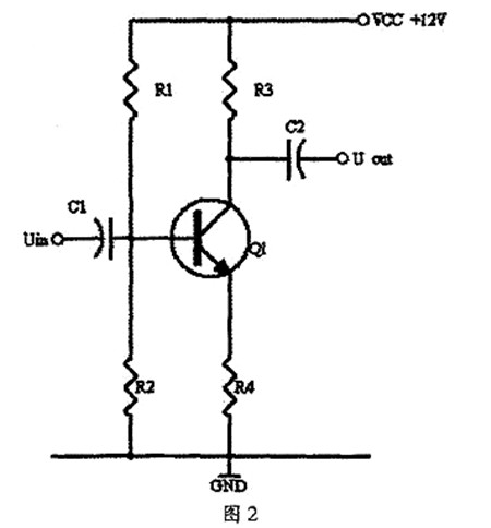
所以有时我们不明白,计算没错,但实际不能用,这是因为教学上还少了一点实际的指导,指出理论与实际的差别。这种电路受β值的影响大,每个人计算一样时,但做出来的结果不一定相同。也就是说,这种电路的稳定性差,实际应用较少。但如果改为图 2的分压式偏置电路,电路的分析计算和实际电路测量较为接近。

在图2的分压式偏置电路中,同样的 我们假设 Ic 为 2mA, Uce 设计成 l /2VCC为 6V。则 RI 、R2、R3、R4 该如何取值呢?
计算公式如下:
因为 Uce 设计成 1/2VCC为6V,则Icx(R3+R4)=6V;Ic≈Ie??梢运愠鯮3+R4=3kΩ,这样,R3、R4各是多少?
一般R4取100Ω,R3为2.9kΩ,实际上,R3我们一般直取2.7kΩ,因为E24系列电阻中没有2.9kΩ,取值2.7kΩ与2.9kΩ没什么大的区别。
因为R2两端的电压等于Ube+UR4,即0.7V+100Ωx2mA=0.9V,我们设Ic为2mA,β一般理论取值100,则Ib=2mA/100=20?A,这里有一个电流要估算的,就是流过R1的电流了,一般取值为Ib的10倍左右,取IR为1200uA。
则R1=11.1V/200uA≈ 56kΩ,R2=0.9V/(200-20)uA=5kΩ;考虑到实际上的β值可能远大于100,所以R2的实际取值为4.7kΩ。这样,R1、R2、R3、R4的取值分别为56kΩ,4.7kΩ,2.7kΩ,100Ω,Uce为6.4V。
在上面的分析计算中,多次提出假设什么的,这在实际应用中是必要的,很多时候需要一个参考值来给我们计算,但往往却没有,这里面一是我们对各种器件不熟悉,二是忘记了一件事,我们自己才是用电路的人,一些数据可以自己设定,这样可以少走弯路。
〈烜芯微/XXW〉专业制造二极管,三极管,MOS管,桥堆等,20年,工厂直销省20%,上万家电路电器生产企业选用,专业的工程师帮您稳定好每一批产品,如果您有遇到什么需要帮助解决的,可以直接联系下方的联系号码或加QQ/微信,由我们的销售经理给您精准的报价以及产品介绍
联系号码:18923864027(同微信)
QQ:709211280