场效应管的特性
下面以N沟道结型场效应管为例说明场效应管的特性。
图1.1为场效应管的漏极特性曲线。输出特性曲线分为三个区:可变电阻区、恒流区和击穿区 。

( 1) 可变电阻区: 图中VDS很小,曲线靠近左边。它表示管子预夹断前电压.电流关系是:当VDS较小时,由于VDS的变化对沟道大小影响不大,沟道电阻基本为一常数,ID基本随VGS作线性变化。
当VGS恒定时,沟道导通电阻近似为一常数,从此意义上说,该区域为恒定电阻区,当VGS变化时,沟道导通电阻的值将随VGS变化而变化,因此该区域又可称为可变电阻区。利用这一特点,可用场效应管作为可变电阻器 。
(2)恒流区:图中VDS较大,曲线近似水平的部分是恒流区,它表示管子预夹断后电压.电流的关系,即图1.1两条虚线之间即为恒流区(或称为饱和区)该区的特点是ID的大小受VGS可控, 当VDS改变时ID几乎不变,场效应管作为放大器使用时,一般工作在此区域内。
(3)击穿区:当VDS增加到某一临界值时,ID开始迅速增大, 曲线上翘, 场效应管不能正常工作,甚至烧毁,场效应管工作时要避免进入此区间。
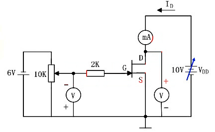
(4)场效应管特性曲线的测试

场效应管的特性曲线可以用晶体管图示仪测试,也可以用逐点测量法测试。图1.2是用逐点测量法测试场效应管特性曲线的原理图。场效应管的转移特性曲线是当漏源间电压VDS保持不变,栅源间电压VGS与漏极电流ID的关系曲线,如图1.3所示:

在上图中,先调节VDD使VDS固定在某个数值上,当栅源电压VGS取不同的电压值时(调节RW),ID也将随之改变,利用测得的数据,便可在VGS~ID直角坐标系上画出如图3.2.3的转移特性曲线。
当VDS取不同的数值,便可得到另一条特性曲线。ID=0时的VGS值为场效应管的夹断电压VP,VGS=0时的ID值为场效应管的饱和漏极电流IDSS。

漏极特性曲线是当栅源间电压VGS保持不变时,漏极电流ID与漏源间电压VDS的关系曲线,当VDS取不同的数值时便可测出与之对应的ID值,对于不同的VGS可以测得多条漏极特性曲线。
晶体管是电流控制器件,作放大器件用时,发射结必须正偏。场效应管是电压控制器件,N沟道结型场效应管工作时G、S间必须加反向偏置电压。
场效应管的特点
1.场效应管是电压控制器件,栅极基本不取电流,而晶体管是电流控制器件,基极必须取一定的电流,应此对于信号源额定电流极小的情况下,常选用场效应管。
2.场效应管是多子导电,晶体管是两种载流子参与导电。但少子受环境影响明显。
3.场效应管FET和晶体管BJT一样具有放大作用,而且这两种放大元件间存在着电极对应关系G-b,S-e,D-c。因此根据BJT电路,即可得到与之对应的FET放大电路。但不能简单地加以替换,否则有时电路不能正常工作。场效应除作放大器件及可控开关外还可作压控可变线性电阻使用。
4.场效应管S极和D极是对称的,可以互换使用,耗尽型MOS管栅源电压可正可负使用比晶体三极管灵活。
5.场效应管组成放大电路时与晶体管一样,必须选择合适的静态工作点,栅极必须有合适的偏压,但不出现偏流,对不同类型场效应管对偏压的极性要求不同,特列如下:

注:JFET表示结型场效应管,DMOS表示耗尽型场效应管;EMOS表示增强型场效应管。
〈烜芯微/XXW〉专业制造二极管,三极管,MOS管,桥堆等,20年,工厂直销省20%,上万家电路电器生产企业选用,专业的工程师帮您稳定好每一批产品,如果您有遇到什么需要帮助解决的,可以直接联系下方的联系号码或加QQ/微信,由我们的销售经理给您精准的报价以及产品介绍
联系号码:18923864027(同微信)
QQ:709211280