场效应管时间继电器如何工作?
场效应管具有极高的输入阻抗,导通时从电源输入的电流几乎可以忽略。因此允许采用很大的充电电阻,有利于比延时的提高。
(1)电路一
JSB-1型时间继电器电路如图3-9所示。它采用3C01型场效应管(P沟道增强型)作比较环节。该定时器最大延时可达5min,比延时可达5s/μF,延时误差《±5%。
场效应管时间继电器工作原理:接通电源时,由于电容C3两端电压为零,场效应管VT处于截止状态,继电器KA释放,延时开始。
同时电源E通过电阻R2、继电器KA线圈向电容C3充电,电容上的电压逐渐升高,场效应管VT的栅源电压UGS越来越负,栅—漏极电流IGD就越来越大。当IGD大到晶闸管V所需的触发电流时,V触发导通,继电器KA得电吸合,输出延时信号。

图中,二极管VD的作用是提供电容C3一条快速放电回路(R3、R4、VD、C3); R1、C1及C2的作用是防止晶闸管V误触发;并联在电阻值较大的继电器KA线圈上的低阻值电阻R5,用以提供延时电路足够的电压与电流。
(2)电路二
JS-20型时间继电器电路如图3-10所示。

工作原理:当继电器KA1吸合时(图中,KA1控制部分未画出),接通电源,由于电容Cl两端电压为零,场效应管VT1的栅源电压UGS=UC-US=-US大于其夹断电压UP,因此VT1截止,三极管VT2无基极电流而截止,晶闸管V关闭,继电器KA2处于释放状态,延时开始。同时电源电压E通过电阻R8、R2向电容C1充电。

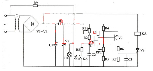
图3-35 JS20系列通电延时型继电器电路图
JS20系列晶体管时间继电器是如何工作的?
JS20系列通电延时型时间继电器的线路如图3-35所示,它由电源、电容充放电电路、电压鉴别电路、输出和指示电路五部分组成。
电源接通后,经整流滤波和稳压后的直流电经过RP1和R2向电容C2充电。当场效应管V6的栅源电压Ugs低于夹断电压Up时,V6截止,因而V7、V8也处于截止状态。
随着充电的不断进行,电容C2的电位按指数规律上升,当满足Ugs高于Up时,V6导通,V7、V8也导通,继电器KA吸合,输出延时信号。
同时电容C2通过R8和KA的动合触头放电,为下次动作作好准备。当切断电源时,继电器KA释放,电路恢复原始状态,等待下次动作。调节RP1和RP2即可调整延时时间。
〈烜芯微/XXW〉专业制造二极管,三极管,MOS管,桥堆等,20年,工厂直销省20%,上万家电路电器生产企业选用,专业的工程师帮您稳定好每一批产品,如果您有遇到什么需要帮助解决的,可以直接联系下方的联系号码或加QQ/微信,由我们的销售经理给您精准的报价以及产品介绍
联系号码:18923864027(同微信)
QQ:709211280