MOS管开关电路设计
MOSFET做开关管的知识:一般来讲,三极管是电流驱动的,MOSFET是电压驱动的,因为用CPLD来驱动这个开关,所以选择用MOSFET做,这样也可以节省系统功耗;
在做开关管时有一个必须注意的事项就是输入和输入两端间的管压降问题,比如一个5V的电源,经过管子后可能变为了4.5V,这时候要考虑负载能不能接受了;
有遇到过这样的问题:就是负载的最小工作电压就是5V了,经过管子后发现系统工作不起来,后来才想起来管子上占了一部分压降了,类似的问题还有在使用二极管的时候(尤其是做电压反接?;な?也要注意管子的压降问题。
开关电路原则
a. BJT三极管 Transistors
只要发射极e 对电源短路 就是电子开关用法
N管 发射极E 对电源负极短路. (搭铁) 低边开关 ;b-e 正向电流 饱和导通
P管 发射极E 对电源正极短路. 高边开关 ;b-e 反向电流 饱和导通
b. FET场效应管 MOSFET
只要源极S 对电源短路 就是电子开关用法
N管 源极S 对电源负极短路.(搭铁) 低边开关;栅-源 正向电压 导通
P管 源极S 对电源正极短路. 高边开关;栅-源 反向电压 导通
总结:
低边开关用 NPN 管
高边开关用 PNP 管
三极管 b-e 必须有大于 C-E 饱和导通的电流
场效应管理论上栅-源有大于 漏-源导通条件的电压就OK
假如原来用 NPN 三极管作 ECU 氧传感器 加热电源控制低边开关
则直接用 N-Channel 场效应管代换;或看情况修改 下拉或上拉电阻
基极--栅极
集电极--漏极
发射极--源极

开关电路图
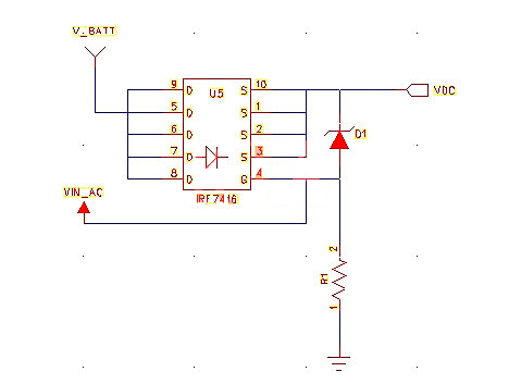
PMOSFET构成的电源自动切换开关
在需要电池供电的便携式设备中,有的电池充电是在系统充电,即充电时电池不用拔下来。
另外为了节省功耗,需要在插入墙上适配器电源时,系统自动切换为适配器供电,断开电池与负载的连接;如果拔掉适配器电源,系统自动切换为电池供电。本电路用一个PMOSFET构成这种自动切换开关。
图中的V_BATT表示电池电压,VIN_AC表示适配器电压。当插入适配器电源时,VIN_AC电压高于电池电压(否则适配器电源就不能对电池充电),Vgs>0,MOSFET截止,系统由适配器供电。
拔去适配器电源,则栅极电压为零,而与MOSFET封装在一体的施特基二极管使源极电压近似为电池电压,导致Vgs小于Vgsth,MOSFET导通,从而系统由电池供电。

在选MOSFET开关时,首先选MOS管的VDS电压,和其VGS开启电压,再就是ID电流值是否满足系统需要,然后再考虑封装,功耗,价格之类次要一些的因素了,以上是用P沟道MOS管做的例子,N沟道的其实也是基本上一样用的。
〈烜芯微/XXW〉专业制造二极管,三极管,MOS管,桥堆等,20年,工厂直销省20%,上万家电路电器生产企业选用,专业的工程师帮您稳定好每一批产品,如果您有遇到什么需要帮助解决的,可以直接联系下方的联系号码或加QQ/微信,由我们的销售经理给您精准的报价以及产品介绍
电话:18923864027(同微信)
QQ:709211280
〈烜芯微/XXW〉专业制造二极管,三极管,MOS管,桥堆等,20年,工厂直销省20%,上万家电路电器生产企业选用,专业的工程师帮您稳定好每一批产品,如果您有遇到什么需要帮助解决的,可以直接联系下方的联系号码或加QQ/微信,由我们的销售经理给您精准的报价以及产品介绍