开关电源工作经验
1. 变压器图纸、PCB、原理图这三者的变压器飞线位号需一致,这是安规要求。很多工程师在申请安规提交资料时会犯这个错误。
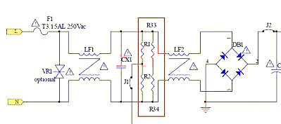
2. X 电容的泄放电阻需放两组。UL62368、CCC 要求断开一组电阻再测试 X 电容的残留电压。
这是很多新手会犯的一个错误,修正只能重新改 PCB Layout,浪费自己和采购打样的时间。

3. 变压器飞线的 PCB 孔径需考虑到飞线直径,必要时预留两组一大一小的 PCB 孔,避免组装困难或过炉空焊问题。
安规申请通常会有一个系列,比如说 24W 申请一个系列,其中包含 4.2V-36V 电压段,输出低压4.2V 大电流和高压36V 小电流的飞线线径是不一样的。
多根飞线直径计算参考如下表格:

4. 输出 DC 线材的 PCB 孔径需考虑到线材直径,避免组装困难。
因为你的 PCB 可能会用在不同电流段上,比如5V/8A 和 20V/2A 使用的线材是不一样的。
参考如下表格:

5. 电路调试,OCP 限流电阻多个并联的阻值要设计成一样,阻值越大的那颗电阻承受的功率越大。
6. 电路设计,散热片引脚的孔做成长方形椭圆形 (经验值:2*1mm),避免组装困难。
椭圆形的孔方便散热器有个移动的空间,这对组装和过炉是非常有利。
7. 电路调试,异常测试时,输出电压或 OVP 设计要小于 60Vac (Vpk) /42.4Vdc (Vrms),这是安规要求。
新手比较容易忽略,所以申请的产品一定要做 OVP 测试,抓输出瞬间波形。
8. 电路设计,电解电容的防爆孔距离大于2mm,卧式弯脚留1.5mm。一般正规公司都有这个要求,防爆孔的问题日本比较重视,特殊情况除外。
9. 电路调试,输出有 LC 滤波的电路需要老化确认纹波,如果纹波异常请调整环路。这一点很重要,我之前经常碰到这个问题,产线老化后测试纹波会变高,现象是环路震荡。
10. 电路调试,二极管并联时,应该测试一颗二极管故障开路时, 产生的异常 (包括 TO-220 里的两颗二极管)。小公司一般都不会做这个动作的,一款的产品是要经得起任何考验的。
11. 电路设计,如果 PCB 空间充裕,请设计成通杀所有安规标准,以减少 PCB 修改次数。
假设某一产品只符合 UL60335标准,如客户希望满足 UL1310,需要修改 PCB Layout 并拿去安规报备。如果一开始即符合各类标准,后面的工作会轻松很多。
12. 电路设计,ESD 设计成接触±8KV/空气±15KV 标准,减少后续整改次数。
13. 电路设计,设计变压器时,VCC 电压在轻载电压要大于 IC 的欠压关断电压值。判断空载 VCC 电压需大于芯片关断电压的 5V 左右,同时确认满载时不能大于芯片过压?;ぶ怠?/div>
14. 电路设计,设计共用变压器需考虑到使用输出电压时的 VCC 电压,低温时 VCC 有稍微 NOSIE 会碰触 OVP 动作。
如果你的产品9V-15V 是共用一个变压器,请确认 VCC 电压和功率管耐压。
15. 电路调试,Rcs 与 Ccs 值不能过大,否则会造成 VDS 超过耐压炸机。
〈烜芯微/XXW〉专业制造二极管,三极管,MOS管,桥堆等,20年,工厂直销省20%,上万家电路电器生产企业选用,专业的工程师帮您稳定好每一批产品,如果您有遇到什么需要帮助解决的,可以直接联系下方的联系号码或加QQ/微信,由我们的销售经理给您精准的报价以及产品介绍
电话:18923864027(同微信)
QQ:709211280
〈烜芯微/XXW〉专业制造二极管,三极管,MOS管,桥堆等,20年,工厂直销省20%,上万家电路电器生产企业选用,专业的工程师帮您稳定好每一批产品,如果您有遇到什么需要帮助解决的,可以直接联系下方的联系号码或加QQ/微信,由我们的销售经理给您精准的报价以及产品介绍
- 上一篇:常用的开关电源电路设计公式介绍
- 下一篇:MOS管开关电路设计图详解
相关阅读