TDA2822是双通道单片功率放大集成电路,具有电路简单、音质好、电压范围宽等特点,可工作于立体声以及桥式放大(BTL)的电路形式下。通常在袖珍式盒式放音机(WALKMAN)、收录机和多媒体有源音箱中作音频放大器。本文将介绍其的特点、引脚功能、应用电路等等。

图1 TDA2822
1.芯片特点
静态电流小,交越失真也小
适用于单声道桥式(BTL)或立体声线路两种工作状态
采用双列直插8 脚塑料封装(DIP-8)和贴片式(SOP-8)封装
电源电压范围宽(1.8~15V,TDA2822M),电源电压低至1.8V时仍能工作
2.结构图

图2 TDA2822结构图
3.引脚配置

图3 TDA2822引脚排列图
引脚功能表

4.工作电压
tda2822的工作电压分为两种:一种3-6V;另一种9-12V。其实他的最低工作电压可达1.8V。
5.最大额定值

6.应用电路
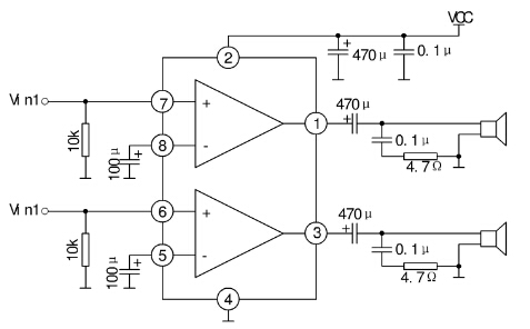
立体声应用线路

图4 Stereo立体声功放的典型应用
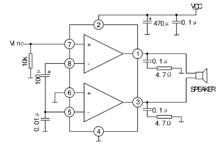
单声道BTL应用线路

图5 Bridge单声道桥式(BTL)功放的典型应用
7.实例应用
图6是这款话筒功放电路,外围元件少,制作简单,音质却出乎意料的好。采用一块双路音频放大集成电路。其主要特点是效率高、耗电省,静态工作电流典型值只有6mA左右,该集成电路的电压适应能力强(1.8V~15VDC),即使在1.8V低电压下使用,仍会有约 100mW的功率输出,具体如图所示。

图6 话筒功放电路图
工作原理
驻极体话筒MIC将拾取的声音信号转换成电信号后,经C2和W从U1的②脚引入,经U1音频放大后,推动喇叭发音。本机接成BTL输出电路,这对于改善音质,降低失真大有好处,同时输出功率也增加了4倍,当3V供电时,其输出功率为350mW。
电话:18923864027(同微信)
QQ:709211280
〈烜芯微/XXW〉专业制造二极管,三极管,MOS管,桥堆等,20年,工厂直销省20%,上万家电路电器生产企业选用,专业的工程师帮您稳定好每一批产品,如果您有遇到什么需要帮助解决的,可以直接联系下方的联系号码或加QQ/微信,由我们的销售经理给您精准的报价以及产品介绍