74HC164是高速硅门 CMOS 器件,与低功耗肖特基型 TTL (LSTTL) 器件的引脚兼容。74HC164是8位边沿触发式移位寄存器,串行输入数据,然后并行输出。数据通过两个输入端(DSA 或 DSB)之一串行输入;任一输入端可以用作高电平使能端,控制另一输入端的数据输入。两个输入端或者连接在一起,或者把不用的输入端接高电平,一定不要悬空。本文将介绍基于74HC164组成的仪表电路方案。
1.74HC164简介
74HC164采用DIP-14、SO-14、SSOP-14和TSSOP-14封装的引脚配置?;ゲ筂OS 8位串行输入并行输出单向移位寄存器,逻辑符号如图所示。电源电压2~6V。图中A、B为串行码输入端;CLR为清零输入端;CLK为时钟脉冲输入端。该IC随着时钟脉冲上升沿的到来,A、B相与后的状态依次由QA移向QH。

图1 逻辑符号
特性:
门控串行数据输入异步中央复位符合JEDEC标准no.7A静电放电(ESD)?;ぃ?/div>
·HBMEIA/JESD22-A114-B超过2000V·MMEIA/JESD22-A115-A超过200V。多种封装形式额定从-40°C至+85°C和-40°C至+125°C。
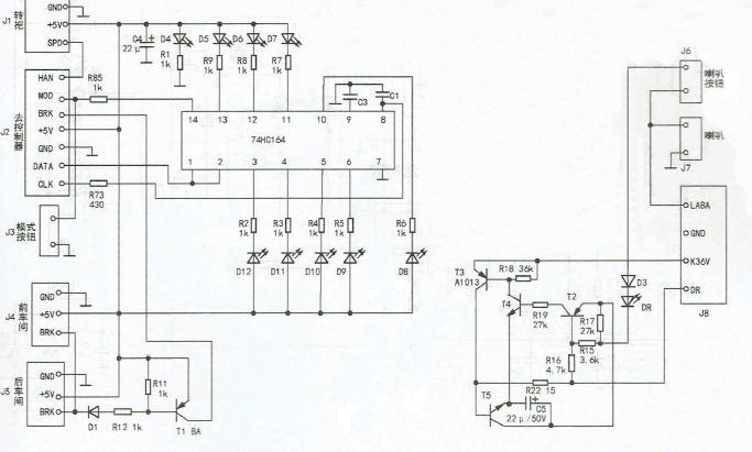
2.电路设计
图2是一款用串行输入并行输出数字集成电路组成的仪表电路。T2-T5,C5及电阻共同组成一个转向灯闪烁振荡电路,当排插J8中的DR(接转向开关)断开时,此电路不工作,转向灯不闪烁;当DR接通时,振荡电路开始工作,转向灯开始闪烁。

图2 仪表电路图
DR是一个三位开关,一刀接左转向灯,一刀接右转向灯,一刀悬空,转向旷的另一端撞地。
捏闸断电电路由Tl、DLRll和R12组成,在电动自行车的前、后闸中都装有一个开关型的霍尔元件,当捏闸时,霍尔元件输出低电位,即排插J4中的BRK端接地,Tl导通,Tl的集电极上有近5V电压,这个电压经排插J2中的BRK端送给控制器,关断电机的供电电路,电机停止工作,起到刹车的作用。相反,不捏闸时,霍尔元件输出高电位,Tl截止,电机正常运转。
由于74HC164是一个8位串行输入并行输出移位寄存器,它和发光二极管构成运动模式和蓄电池电量显示电路。74HC164的输出端@-@脚与D5-D7组成运动模式显示电路边〉⑥脚、⑩脚与D8-D12组成蓄电池电量显示电路。来自控制器的显示信号经排插J2中的DATA端送至74HC164的串行输入端①、②脚,再经内部电路移位后,从相关的输出端输出驱动信号,点亮相应的发光二极管,完成对显示电路的控制。
这个电路比较简单,检修起来也容易,主要是判断74HC164的好坏。首先测+5V电压是否正常,然后测74HC164的时钟信号输入端③脚电压是否接近+5V,若低于+5V,且断开R73后排插J2的CLK端电压正常,则74HC164损坏;若CLK端电压不正常,则故障在控制器中。接下来测串行输入端①、②脚电压在转换运动模式时有无跳变,若没有,贝Ij故障在控制器;若有,则为74HC164损坏。从实修情况看,74HC164多为⑩脚(电源端)内部电路损坏。另外,在购买74HC164时,可先测量⑩脚的电阻,正测时阻值应在4kD左右,反测时应为无穷大。
电话:18923864027(同微信)
QQ:709211280
〈烜芯微/XXW〉专业制造二极管,三极管,MOS管,桥堆等,20年,工厂直销省20%,上万家电路电器生产企业选用,专业的工程师帮您稳定好每一批产品,如果您有遇到什么需要帮助解决的,可以直接联系下方的联系号码或加QQ/微信,由我们的销售经理给您精准的报价以及产品介绍
相关阅读