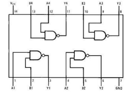
74LS00为四组2 输入端与非门(正逻辑),共有 54/7400、54/74H00、54/74S00、54/74LS00。
1.电特性
主要电特性的典型值如下:

2.引脚图

图1 74LS00引脚图
3.极限值
电源电压…………………………………………7V
输入电压
54/7400、54/74H00、54/74S00…………….5.5V
54/74LS00……………………………………7V
A-B 间电压
除 54/74LS00 外………………………………5.5V
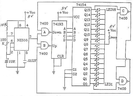
4.LED跑马灯电路
本电路采用NE555、74LS00、74LS154、74LS193和LED制作的跑马灯,制作简单。
当电源打开后,解码器74LS154的输出端Q0为低电位时,74LS193为正数计数器,LED从D1……D16依次单个点灯,74LS154的输出端Q15为低电位时,74LS193为侄数计数器,LED从D16……D1依次单个点灯,LED灯从D1依次亮至D16,然后从D16返回D1,如此循环不止。

图2 LED跑马灯电路图
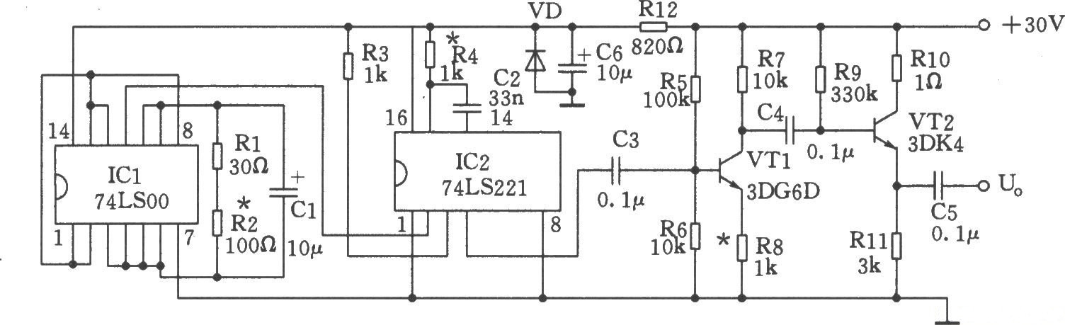
5.脉冲信号发生器(74LS10、74LS221)

图3 脉冲信号发生器电路图
如图所示为简易脉冲信号发生器电路。该信号发生器主要采用两块TTL集成电路(74LS00和74LS221)产生τ=4μs的脉冲信号,所用元器件较少,便于调试和维修。
6.方波发生器电路
采用与非门集成电路74LS00组成的方波发生器电路

图4 方波发生器电路图
所示是一种采用与非门集成电路74LSOO组成的方波发生器电路。其中与非门1、2与外界
RC时间常数元件组成振荡电路,与非门3为缓冲输出级。只要改变C的容量,便可获得不同频率的方波输出。
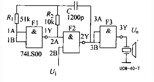
7.超声波发射电路
是由一块74LSOO四一二输A与非r电路组成的超声波发射电路。其中Fl、尉、C组成振荡电路,产生40kH振荡信号.经F2调制后,送往F3激励电路推动传感器UCM-40-T工作,发出超声波信号。

图5 超声波发射电路图
该电路中Fl、F3接成非门形式,而F2作为与非门使用,有利于调制信号的引入。由此看来,本电路具有结构简单,调试方便,只需一块74LSOO芯片即可同时完成振荡、调制、激励、发射超声波的任务。
该电路的振荡周期由Rz、C乘积确定,其计算公式为t振荡周期T-2.2R。C,将参aklt代A,其振荡频率约为40kHz。也可改变R、‘C的数值,选择需要的其他振荡频率。
电话:18923864027(同微信)
QQ:709211280
〈烜芯微/XXW〉专业制造二极管,三极管,MOS管,桥堆等,20年,工厂直销省20%,上万家电路电器生产企业选用,专业的工程师帮您稳定好每一批产品,如果您有遇到什么需要帮助解决的,可以直接联系下方的联系号码或加QQ/微信,由我们的销售经理给您精准的报价以及产品介绍