常见的串联三端稳压集成电路,如LM7800、LM7900、LM3xx系列,效率低,如LM7805输入电源电压10~15V时,它的工作效率仅为30%~50%;如将LM7805用于可调式稳压电源,那么其输入端电压可达35V左右,但工作效率就更低了。另外,LM7800系列TO~220封装的产品,其自身不加散热片的允许功耗仅仅1.5VA,加上理想散热片也只有20VA??厥轿妊沟缭淳哂泻芨叩墓ぷ餍?,一般可达60%~90%或以上,本文介绍使用常见的LM317制作的开关电源,其电路简单,性能可靠。
1.LM317 简介
LM317是应用最为广泛的电源集成电路之一,它不仅具有固定式三端稳压电路的最简单形式,又具备输出电压可调的特点。此外,还具有调压范围宽、稳压性能好、噪声低、纹波抑制比高等优点。其主要性能参数如下。
输出电压:1.25-37V DC;输出电流:5mA-1.5A;芯片内部具有过热、过流、短路?;さ缏?最大输入-输出电压差:40V DC,最小输入-输出电压差:3V DC;使用环境温度:-10-+85℃ 。
图1给出了几种常用(不同封装形式)的LM317的外形及引脚排列图。

图1 LM317的外形及引脚排列图
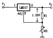
由于输出端(2脚)与调节输入端(3脚)之间的电压保持在1.25V,调整接在输出端与地之间的分压电阻R1和R2来改变ADJ端的电位,可以达到调节输出电压的目的,如图2所示,原理如下:
R1两端的1.25V恒定电压产生的恒定电流流过R1和R2,在R2上产生的电压加到ADJ端。此时,输出电压Vo取决于R1和R2的比值,当R2阻值增大时,输出电压升高,即:
Vo=1.25[(R1+R2)/R2]。

图2 调节输出电压电路
2.电路设计
电路的工作原理是,当电路工作开始瞬间,由于LM317尚未建立起工作条件,其输入端电压高于输出端,于是呈现低内阻状态而导通,储能电容C2上电压开始上升,同时,流过电感L1初级线圈的电流在Ll中建立磁场,当C2上电压达到设定值时,LM317迅速呈现高内阻而近似断开,这时储存在L1电感中的磁场通过其次级线圈和D1向负荷供电,同时C2中的能量也向外释放,直到LM317输出端电压低于设定值,LM317再次导通。如此循环,LM317便被设置成开关工作状态。电路图如图3所示。

图3 电路原理图
该电路安装后几乎无需调试就能工作,经过几例的实际安装。电路具有以下特点:
(1)电路开关频率变化很大,该频率与负载电流大小、输出电压高低、C2容量大小有关系。当C2容量超过47μF时,电路起振困难而变成串联式稳压电源,LM317温升急剧升高。电路振荡频率落人人耳可听范围后,能听到开关变压器发出“唧、唧”或“吱、吱”的叫声。
(2)电源输出电压不能从1.25V起调,起始电压随电路负载大小在2.5V左右,输出电压随负荷变化不是很稳,在15V以下时高于空载值,15V以上时低于空载值,误差在2V以内,所以它不适用于对稳压精度要求很高的场所。
(3)按照附图中的元件数据,电路输出在1.2A的情况下,输出电压范围是2.5~2.9V。在5V输出1.2A电流的情况下,LM317温升很低,如使用普通串联电路形式,散热问题将是很难解决的,这正是本文设计的初衷。
电路中C1、C3是滤波电容,一般容量越大越好;C2是储能定时电容,该电容小开关频率高,但电压不稳定,电容大易造成停振;L1是开关变压器,可以用25或29英寸电源滤波线圈代用;L2是滤波电感,也可以用前面滤波线圈代用,但要将两个绕组头尾串起来使用;D1是续流二极管,型号为国产2CN类的高速管,不能用一般管代用;D2是保护二极管,W是输出电压调整电位器,尽量采用线性或功率大一点的使用;R是输出取样电阻。变压器可以用输入输出电压相同的代用,只要能满面足使用要求,输出电压和功率小一点也可。
电话:18923864027(同微信)
QQ:709211280
〈烜芯微/XXW〉专业制造二极管,三极管,MOS管,桥堆等,20年,工厂直销省20%,上万家电路电器生产企业选用,专业的工程师帮您稳定好每一批产品,如果您有遇到什么需要帮助解决的,可以直接联系下方的联系号码或加QQ/微信,由我们的销售经理给您精准的报价以及产品介绍