LM2596系列开关电压调节器是降压型电源管理单片集成电路,能够输出3A的驱动电流,同时具有很好的线性和负载调节特性。添加少量的外部元件就可以使用该电压调节器。该器件内部集成有频率补偿和固定频率发生器??仄德饰?50KHz,与低频开关调节器相比较,可以使用更小规格的滤波元件。本文将介绍LM2596的应用电路。
1.3.3V,5V输出电源电路图
在进行整个控制系统设计时,如果电源系统过于复杂和冗余,不仅会对其他部分电路产生电磁干扰,而且经济效益也不好,所以设计中所有芯片都选择的是5 V、3.3 V或者1.8 V供电电压。这样,电源设计时只要用3片LM2596和一些电容、电感、二极管等就可以将24 V电压直接转化为所需电压,电路设计不仅容易,也非常经济,电源电路如图1所示。具体使用时可以根据需要选择LM2596-5V、LM2596-3.3V、LM2596-1.8V的芯片。要获得+1.8 V和+5 V时用图(a)的接法,要获得+3.3 V时,用图(b)的接法。

图1 电源电路
2.典型应用电路

图2 典型应用电路图
3.应用电路
LM2596支持输出可调,在输入40V时,输出可连续调整为0~37V,典型应用电路如下图:

图3 应用电路
注:反馈线要远离电感,电路中的粗线一定要短,最好用地线屏蔽,调节输出电压的电阻R1,R2要靠近LM2596的4脚。
4.可调限流稳压器
LM2596常规应用,不具备电流限制功能,在一些电子设计和辅助设备上,对限流功能有一定的需求,虽然厂家给出的标准应用电路无法完成这一功能,我们可以通过适当的添加功能电路,让它实现限流功能。如图4所示:

图4 LM2596构成的可调限流稳压器
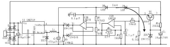
5.LED开关恒流稳压电源
图5所示是基于LM2596-ADJ 的LED开关恒流稳压电源。

图5 基于LM2596-ADJ 的LED 开关恒流稳压电源
该电路含有电压控制环路和电流控制环路两个环路。电压控制环路由运算放大器U2A、R1、R5组成,用于控制电源的最大输出电压。
电话:18923864027(同微信)
QQ:709211280
〈烜芯微/XXW〉专业制造二极管,三极管,MOS管,桥堆等,20年,工厂直销省20%,上万家电路电器生产企业选用,专业的工程师帮您稳定好每一批产品,如果您有遇到什么需要帮助解决的,可以直接联系下方的联系号码或加QQ/微信,由我们的销售经理给您精准的报价以及产品介绍