LM324系列是低成本的四路运算放大器,具有真正的差分输入。在单电源应用中,它们与标准运算放大器类型相比具有几个明显的优势。该四路放大器可以工作于低至3.0 V或高达32 V的电源电压,静态电流是MC1741的五分之一左右(每个放大器)。共模输入范围包括负电源,因此在众多应用中无需外部偏置元器件。输出电压范围也包括负电源电压。

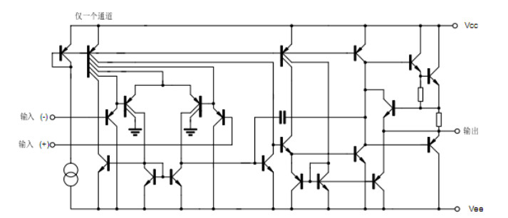
图1 内部电路图
1.特点
(1)具有宽的单电源或双电源工作电压范围;单电源3V~32V,双电源±1.5V~±15V
(2)内含相位校正回路, 外围元件少
(3)高增益频率补偿运算
(4)额定电源电压:+15V
(5)短路?;な涑?/div>
(6)真正的差分输入级
(7)低偏置电流:最大100nA
(8)每封装含四个运算放大器。
(9)具有内部补偿的功能。
(10)共模范围扩展到负电源
(11)行业标准的引脚排列
(12)输入端具有静电保护功能
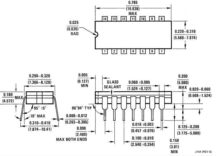
(13)封装形式:DIP14 SOP-14
(14)无铅的,无卤素/无BFR且符合RoHS标准
2.应用领域
应用领域包括传感器放大器,直流增益??楹退写车脑怂惴糯笃骺梢愿菀椎卦诘サ缭聪低持惺迪值牡缏?。例如,可直接操作的LM324系列,这是用来在数字系统中,轻松地将提供所需的接口电路,而无需额外的±15V电源标准的5V电源电压。
3.引脚图及功能
LM324 是四运放集成电路,它采用14脚双列直插塑料封装,外形如图1所示。它的内部包含四组形式完全相同的运算放大器, 除电源共用外,四组运放相互独立。每一组运算放大器可用图2所示的符号来表示,它有5个引出脚,其中“+”、“-”为两个信号输入端,“V+”、“V-” 为正、负电源端,“Vo”为输出端。两个信号输入端中,Vi-(-)为反相输入端,表示运放输出端Vo的信号与该输入端的位相反;Vi+(+)为同相输入端,表示运放输出端Vo的信号与该输入端的相位相同。LM324的引脚排列见图3。其引脚功能及工作电压如表1所示。
表1 LM324引脚功能及工作电压


图2 封装图

图3 电路符号

图4 引脚排列图
电话:18923864027(同微信)
QQ:709211280
〈烜芯微/XXW〉专业制造二极管,三极管,MOS管,桥堆等,20年,工厂直销省20%,上万家电路电器生产企业选用,专业的工程师帮您稳定好每一批产品,如果您有遇到什么需要帮助解决的,可以直接联系下方的联系号码或加QQ/微信,由我们的销售经理给您精准的报价以及产品介绍
相关阅读