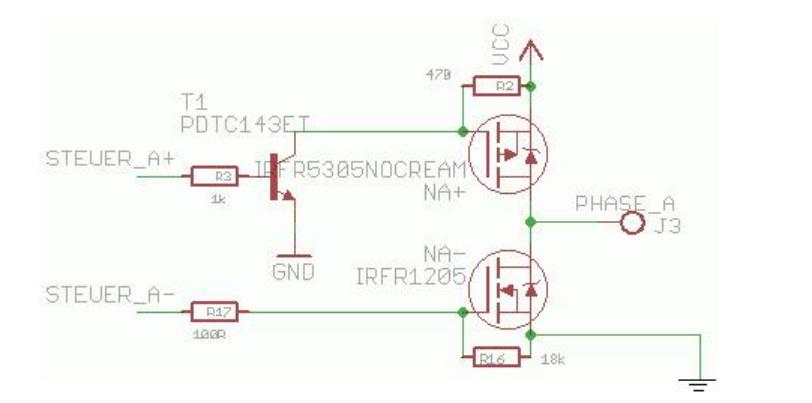
首先看看管子:

驱动电路示意:


我把信息反馈给了空调供应商,等回复。
首先要明确一个概念,模拟电路不是软件编程、非 0 即 1,而是一个连续变化的过程。无论是电容上的电压还是电感上的电流,都不能突变,否则将产生灾难性的后果。上跳沿和下降沿并不是越陡峭越好,有时候在设计中甚至故意添加一些电阻让上升下降沿变得平缓以?;ぴ骷5比?,如果你能在确保安全的情况下,尽可能能地提高上升下降沿的频率的话,你就是模电设计高手了。
先来看 R17,它有三个作用,其一是防止震荡,其二是减小栅极充电峰值电流,其三是?;?NA-场效应管的 D-S 极不被击穿。
先来看第一点,一般单片机的 I/O 输出口都会带点杂散电感,在电压突变的情况下可能和栅极电容形成 LC 振荡,当它们之间串上 R17 后,可增大阻尼而减小振荡效果。
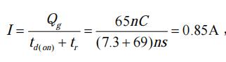
第二,当栅极电压拉高时,首先会对栅极电容充电,充电峰值电流可大致计算为:
可见已经超过了单片机的 I/O 输出能力,串上 R17 后可放慢充电时间而减小栅极充电电流。

第三,当栅极关断时,NA-管的 D-S 极从导通状态变为截止状态时,漏源极电压VDS 会迅速增加,如果 过大,就会击穿器件,所以添加 R17 可以让栅极电容慢慢放电,而不至于使器件击穿,100 欧是比较通用的做法。
接下来看 R16,其作用是下拉型抗干扰电阻。当单片机刚上电时,I/O 口一般都处于高阻态,如果没有 R18,栅极电压就处于悬浮状态,可能意外使场效应管导通,R16 的选值范围没啥特别的讲究,笔者曾经用 1.8k 和 180k 都仿真过,看不出对输出波形有明显影响。
再接下来看 R2,它的作用是上拉 NA+场效应管的栅极,其阻值不能太小,太小会造成三极管导通时承受过大的电流;同样,阻值也不能太大,太大会导致场效应管的栅极电压上升缓慢,而影响开关性能。关于这点再多说两句,如果阻值太大,这个时候的影响场效应管开关速度的瓶颈不在MOSFET的栅极电容上,而是在三级管的BC极电容上!当STEUER_A+从低电平变高电平后,VCC 首先会通过 R2 给三级管的 BC 极电容充电,如果 R2 太大会导致充电速度缓慢,从而导致 R2 两端电压变化缓慢,进而影响场效应管的栅源极电压上升速度。网友 lijieamd 兄做了个很有意义的实验:在三极管的 BC 极并了个钳位二极管,强制不给 BC 极电容充电,然后发现场效应管的上升下降沿都有明显的改善。
最后看 R3,是三级管的基极电阻,这个没啥特别的讲究,只要确保三极管能正常工作在放大区就可以了。
以上就是对各电阻作用的定性分析。
电话:18923864027(同微信)
QQ:709211280
〈烜芯微/XXW〉专业制造二极管,三极管,MOS管,桥堆等,20年,工厂直销省20%,上万家电路电器生产企业选用,专业的工程师帮您稳定好每一批产品,如果您有遇到什么需要帮助解决的,可以直接联系下方的联系号码或加QQ/微信,由我们的销售经理给您精准的报价以及产品介绍