功率MOS场效应晶体管,即MOSFET,其原意是:MOS(Metal Oxide Semiconductor金属氧化物半导体),FET(Field Effect Transistor场效应晶体管),即以金属层(M)的栅极隔着氧化层(O)利用电场的效应来控制半导体(S)的场效应晶体管。
功率MOS场效应晶体管也分为结型和绝缘栅型,但通常主要指绝缘栅型中的MOS型(Metal Oxide Semiconductor FET),简称功率MOSFET(Power MOSFET)。结型功率场效应晶体管一般称作静电感应晶体管(Static Induction Transistor——SIT)。其特点是用栅极电压来控制漏极电流,驱动电路简单,需要的驱动功率小,开关速度快,工作频率高,热稳定性优于GTR,但其电流容量小,耐压低,一般只适用于功率不超过10kW的电力电子装置。
首先需要了解一些概念:
栅极(Gate——G,也叫做门极),源极(Source——S), 漏极(Drain——D)
功率MOS场效应晶体管的种类:按导电沟道可分为P沟道和N沟道。按栅极电压幅值可分为;
耗尽型:当栅极电压为零时漏源极之间就存在导电沟道,
增强型:对于N(P)沟道器件,栅极电压大于(小于)零时才存在导电沟道,功率MOSFET主要是N沟道增强型。


截止:漏源极(D-S)间加正电源(即D为+,S为-),栅源极间电压为零。P基区与N漂移区之间形成的PN结J1反偏,漏源极之间无电流流过。
导电:在栅源极间(G-S)加正电压UGS,栅极是绝缘的,所以不会有栅极电流流过。但栅极的正电压会将其下面P区中的空穴推开,而将P区中的少子—电子吸引到栅极下面的P区表面
当UGS大于UT(开启电压或阈值电压)时,栅极下P区表面的电子浓度将超过空穴浓度,使P型半导体反型成N型而成为反型层,该反型层形成N沟道而使PN结J1消失,漏极和源极导电。
漏极电流ID和栅源间电压UGS的关系称为MOSFET的转移特性,ID较大时,ID与UGS的关系近似线性,曲线的斜率定义为跨导Gfs
MOSFET的漏极伏安特性(输出特性):截止区(对应于GTR的截止区);饱和区(对应于GTR的放大区);非饱和区(对应于GTR的饱和区)。
电力MOSFET工作在开关状态,即在截止区和非饱和区之间来回转换。电力MOSFET漏源极之间有寄生二极管,漏源极间加反向电压时器件导通。电力MOSFET的通态电阻具有正温度系数,对器件并联时的均流有利。


MOS管相比于三极管,开关速度快,导通电压低,电压驱动简单,所以越来越受工程师的喜欢,然而,若不当设计,哪怕是小功率MOS管,也会导致芯片烧坏,原本想着更简单的。
MOS管的输入与输出是相位相反,恰好180度,也就是等效于一个反相器,也可以理解为一个反相工作的运放,如下图:


第一部分 最大额定参数
最大额定参数,所有数值取得条件(Ta=25℃)


VDSS 最大漏-源电压
在栅源短接,漏-源额定电压(VDSS)是指漏-源未发生雪崩击穿前所能施加的最大电压。根据温度的不同,实际雪崩击穿电压可能低于额定VDSS。关于V(BR)DSS的详细描述请参见静电学特性.
VGS 最大栅源电压
VGS额定电压是栅源两极间可以施加的最大电压。设定该额定电压的主要目的是防止电压过高导致的栅氧化层损伤。实际栅氧化层可承受的电压远高于额定电压,但是会随制造工艺的不同而改变,因此保持VGS在额定电压以内可以保证应用的可靠性。
ID - 连续漏电流
ID定义为芯片在最大额定结温TJ(max)下,管表面温度在25℃或者更高温度下,可允许的最大连续直流电流。该参数为结与管壳之间额定热阻RθJC和管壳温度的函数:


ID中并不包含开关损耗,并且实际使用时保持管表面温度在25℃(Tcase)也很难。因此,硬开关应用中实际开关电流通常小于ID 额定值@ TC = 25℃的一半,通常在1/3~1/4。补充,如果采用热阻JA的话可以估算出特定温度下的ID,这个值更有现实意义。
IDM -脉冲漏极电流
该参数反映了器件可以处理的脉冲电流的高低,脉冲电流要远高于连续的直流电流。定义IDM的目的在于:线的欧姆区。对于一定的栅-源电压,MOSFET导通后,存在最大的漏极电流。如图所示,对于给定的一个栅-源电压,如果工作点位于线性区域内,漏极电流的增大会提高漏-源电压,由此增大导通损耗。长时间工作在大功率之下,将导致器件失效。因此,在典型栅极驱动电压下,需要将额定IDM设定在区域之下。区域的分界点在Vgs和曲线相交点。


PD -容许沟道总功耗
容许沟道总功耗标定了器件可以消散的最大功耗,可以表示为最大结温和管壳温度为25℃时热阻的函数。
TJ, TSTG-工作温度和存储环境温度的范围
这两个参数标定了器件工作和存储环境所允许的结温区间。设定这样的温度范围是为了满足器件最短工作寿命的要求。如果确保器件工作在这个温度区间内,将极大地延长其工作寿命。
EAS-单脉冲雪崩击穿能量
如果电压过冲值(通常由于漏电流和杂散电感造成)未超过击穿电压,则器件不会发生雪崩击穿,因此也就不需要消散雪崩击穿的能力。雪崩击穿能量标定了器件可以容忍的瞬时过冲电压的安全值,其依赖于雪崩击穿需要消散的能量。
定义额定雪崩击穿能量的器件通常也会定义额定EAS。额定雪崩击穿能量与额定UIS具有相似的意义。EAS标定了器件可以安全吸收反向雪崩击穿能量的高低。
L是电感值,iD为电感上流过的电流峰值,其会突然转换为测量器件的漏极电流。电感上产生的电压超过MOSFET击穿电压后,将导致雪崩击穿。雪崩击穿发生时,即使 MOSFET处于关断状态,电感上的电流同样会流过MOSFET器件。电感上所储存的能量与杂散电感上存储,由MOSFET消散的能量类似。
MOSFET并联后,不同器件之间的击穿电压很难完全相同。通常情况是:某个器件率先发生雪崩击穿,随后所有的雪崩击穿电流(能量)都从该器件流过。
EAR -重复雪崩能量
重复雪崩能量已经成为“工业标准”,但是在没有设定频率,其它损耗以及冷却量的情况下,该参数没有任何意义。散热(冷却)状况经常制约着重复雪崩能量。对于雪崩击穿所产生的能量高低也很难预测。
额定EAR的真实意义在于标定了器件所能承受的反复雪崩击穿能量。该定义的前提条件是:不对频率做任何限制,从而器件不会过热,这对于任何可能发生雪崩击穿的器件都是现实的。在验证器件设计的过程中,最好可以测量处于工作状态的器件或者热沉的温度,来观察MOSFET器件是否存在过热情况,特别是对于可能发生雪崩击穿的器件。
IAR - 雪崩击穿电流
对于某些器件,雪崩击穿过程中芯片上电流集边的倾向要求对雪崩电流IAR进行限制。这样,雪崩电流变成雪崩击穿能量规格的“精细阐述”;其揭示了器件真正的能力。


第二部分 静态电特性


V(BR)DSS:漏-源击穿电压(破坏电压)
V(BR)DSS(有时候叫做VBDSS)是指在特定的温度和栅源短接情况下,流过漏极电流达到一个特定值时的漏源电压。这种情况下的漏源电压为雪崩击穿电压。
V(BR)DSS是正温度系数,温度低时V(BR)DSS小于25℃时的漏源电压的最大额定值。在-50℃, V(BR)DSS大约是25℃时最大漏源额定电压的90%。
VGS(th),VGS(off):阈值电压
VGS(th)是指加的栅源电压能使漏极开始有电流,或关断MOSFET时电流消失时的电压,测试的条件(漏极电流,漏源电压,结温)也是有规格的。正常情况下,所有的MOS栅极器件的阈值电压都会有所不同。因此,VGS(th)的变化范围是规定好的。VGS(th)是负温度系数,当温度上升时,MOSFET将会在比较低的栅源电压下开启。
RDS(on):导通电阻
RDS(on)是指在特定的漏电流(通常为ID电流的一半)、栅源电压和25℃的情况下测得的漏-源电阻。
IDSS:零栅压漏极电流
IDSS是指在当栅源电压为零时,在特定的漏源电压下的漏源之间泄漏电流。既然泄漏电流随着温度的增加而增大,IDSS在室温和高温下都有规定。漏电流造成的功耗可以用IDSS乘以漏源之间的电压计算,通常这部分功耗可以忽略不计。
IGSS ―栅源漏电流
IGSS是指在特定的栅源电压情况下流过栅极的漏电流。
第三部分 动态电特性


Ciss :输入电容
将漏源短接,用交流信号测得的栅极和源极之间的电容就是输入电容。Ciss是由栅漏电容Cgd和栅源电容Cgs并联而成,或者Ciss = Cgs +Cgd。当输入电容充电致阈值电压时器件才能开启,放电致一定值时器件才可以关断。因此驱动电路和Ciss对器件的开启和关断延时有着直接的影响。
Coss :输出电容
将栅源短接,用交流信号测得的漏极和源极之间的电容就是输出电容。Coss是由漏源电容Cds和栅漏电容Cgd并联而成,或者Coss = Cds +Cgd对于软开关的应用,Coss非常重要,因为它可能引起电路的谐振
Crss :反向传输电容
在源极接地的情况下,测得的漏极和栅极之间的电容为反向传输电容。反向传输电容等同于栅漏电容。Cres =Cgd,反向传输电容也常叫做米勒电容,对于开关的上升和下降时间来说是其中一个重要的参数,他还影响这关断延时时间。电容随着漏源电压的增加而减小,尤其是输出电容和反向传输电容。


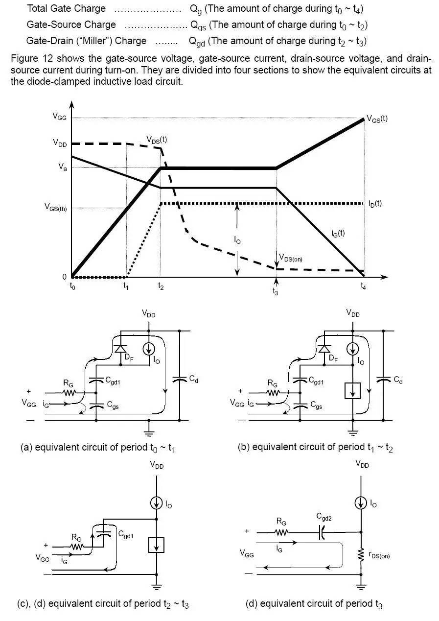
Qgs, Qgd, 和 Qg :栅电荷
栅电荷值反应存储在端子间电容上的电荷,既然开关的瞬间,电容上的电荷随电压的变化而变化,所以设计栅驱动电路时经常要考虑栅电荷的影响。
Qgs从0电荷开始到第一个拐点处,Qgd是从第一个拐点到第二个拐点之间部分(也叫做“米勒”电荷),Qg是从0点到VGS等于一个特定的驱动电压的部分。


漏电流和漏源电压的变化对栅电荷值影响比较小,而且栅电荷不随温度的变化。测试条件是规定好的。栅电荷的曲线图体现在数据表中,包括固定漏电流和变化漏源电压情况下所对应的栅电荷变化曲线。在图中平台电压VGS(pl)随着电流的增大增加的比较?。ㄋ孀诺缌鞯慕档鸵不峤档停?。平台电压也正比于阈值电压,所以不同的阈值电压将会产生不同的平台电压。


td(on) :导通延时时间
导通延时时间是从当栅源电压上升到10%栅驱动电压时到漏电流升到规定电流的10%时所经历的时间。
td(off) :关断延时时间
关断延时时间是从当栅源电压下降到90%栅驱动电压时到漏电流降至规定电流的90%时所经历的时间。这显示电流传输到负载之前所经历的延迟。
tr :上升时间
上升时间是漏极电流从10%上升到90%所经历的时间。
tf :下降时间
下降时间是漏极电流从90%下降到10%所经历的时间
〈烜芯微/XXW〉专业制造二极管,三极管,MOS管,桥堆等,20年,工厂直销省20%,上万家电路电器生产企业选用,专业的工程师帮您稳定好每一批产品,如果您有遇到什么需要帮助解决的,可以直接联系下方的联系号码或加QQ/微信,由我们的销售经理给您精准的报价以及产品介绍
电话:18923864027(同微信)
QQ:709211280
〈烜芯微/XXW〉专业制造二极管,三极管,MOS管,桥堆等,20年,工厂直销省20%,上万家电路电器生产企业选用,专业的工程师帮您稳定好每一批产品,如果您有遇到什么需要帮助解决的,可以直接联系下方的联系号码或加QQ/微信,由我们的销售经理给您精准的报价以及产品介绍