二极管半波整流电路实际上利用了二极管的单向导电特性。
当输入电压处于交流电压的正半周时,二极管导通,输出电压vo=vi-vd。当输入电压处于交流电压的负半周时,二极管截止,输出电压vo=0。半波整流电路输入和输出电压的波形如图所示。

对于使用直流电源的电动机等功率型的电气设备,半波整流输出的脉动电压就足够了。但对于电子电路,这种电压则不能直接作为半导体器件的电源,还必须经过平滑(滤波)处理。平滑处理电路实际上就是在半波整流的输出端接一个电容,在交流电压正半周时,交流电源在通过二极管向负载提供电源的同时对电容充电,在交流电压负半周时,电容通过负载电阻放电。

通过上述分析可以得到半波整流电路的基本特点如下:
(1)半波整流输出的是一个直流脉动电压。
(2)半波整流电路的交流利用率为50%。
(3)电容输出半波整流电路中,二极管承担最大反向电压为2倍交流峰值电压(电容输出时电压叠加)。
(3)实际电路中,半波整流电路二极管和电容的选择必须满足负载对电流的要求。
全波整流
当输入电压处于交流电压的正半周时,二极管D1导通,输出电压Vo=vi-VD1。当输入电压处于交流电压的负半周时,二极管D2导通,输出电压Vo=vi-VD2。

由上述分析可知,二极管全波整流电路输出的仍然是一个方向不变的脉动电压,但脉动频率是半波整流的一倍。
通过与半波整流相类似的计算,可以得到全波整流输出电压有效值Vorsm=0.9Ursm。
全波整流输出的直流脉动电压仍然不能满足电子电路对直流电源的要求,必须经过平滑(滤波)处理。与半波整流相同,平滑处理电路是在全波整流的输出端接一个电容。电容在脉动电压的两个峰值之间向负载放电,使输出电压得到相应的平滑。
通过上述分析可以得到半波整流电路的基本特点如下:
(1)半波整流输出的是一个直流脉动电压。
(2)半波整流电路的交流利用率为50%。
(3)电容输出半波整流电路中,二极管承担最大反向电压为2倍交流峰值电压(电容输出时电压叠加)。
(3)实际电路中,半波整流电路二极管和电容的选择必须满足负载对电流的要求。
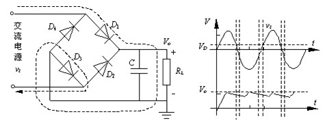
桥式整流
所谓桥式整流电路,就是用二极管组成一个整流电桥。
当输入电压处于交流电压正半周时,二极管D1、负载电阻RL、D3构成一个回路(图5中虚线所示),输出电压Vo=vi-VD1-VD3。输入电压处于交流电压负半周时,二极管D2、负载电阻RL、D4构成一个回路,输出电压Vo=vi-VD2-VD4。图中滤波电容的工作状态。

由上述分析可知,二极管桥式整流电路输出的也是一个方向不变的脉动电压,但脉动频率是半波整流的一倍。与半波整流输出电压有效值计算相类似,可以得到桥式整流输出电压有效值Vorsm=0.9Ursm。
通过上述分析,可以得到桥式整流电路的基本特点如下:
(1)桥式整流输出的是一个直流脉动电压。
(2)桥式整流电路的交流利用率为100%。
(3)电容输出桥式整流电路,二极管承担的最大反向电压为2倍的交流峰值电压(电容输出时电压叠加)。
(4)桥式整流电路二极管的负载电流仅为半波整流的一半。
(5)实际电路中,桥式整流电路中二极管和电容的选择必须满足负载对电流的要求。
烜芯微专业制造二极管,三极管,MOS管,桥堆等20年,工厂直销省20%,上万家电路电器生产企业选用,专业的工程师帮您稳定好每一批产品,如果您有遇到什么需要帮助解决的,可以点击右边的工程师,或者点击销售经理给您精准的报价以及产品介绍
烜芯微专业制造二极管,三极管,MOS管,桥堆等20年,工厂直销省20%,上万家电路电器生产企业选用,专业的工程师帮您稳定好每一批产品,如果您有遇到什么需要帮助解决的,可以点击右边的工程师,或者点击销售经理给您精准的报价以及产品介绍