稳压器是一种让负载上的输出电压保持恒定而不随负载电流变化的电路。例如,负载可以是微控制器系统,这就要求电源电压保持恒定,即使其电流会随着系统活动的变化而变化。图1中的齐纳二极管稳压器提供了一种非常简单的方法来将负载电压VL保持与齐纳二极管的反向击穿电压相同的值,只要负载电阻RL保持在高于某一下限。电压源VIN和电阻RS通过戴维宁等效电路模拟了输入电路特性,比如将一个高电压(如120 V交流电源)转换为未经调节和滤波的较低直流电压源。
材料
ADALM2000主动学习???/div>
无焊面包板
1个1 kΩ电阻(RS)
1个5 kΩ可变电阻、电位计(RL)
一个齐纳二极管(1N4735或类似产品)
指导:
使用1N4735 6.2 V齐纳二极管在无焊面包板上构建图1所示电路。使用AWG1(5 V恒定)和–5 V Vn用户电源作为直流电源VIN。RL使用各种固定和可变电阻。


图1.齐纳二极管稳压器


图2.齐纳二极管稳压器面包板电路
程序步骤
步骤1
对于下列值的RL,使用Scopy电压表测量 VL以监视并报告负载电压VL:
开路(见图3)
10 kΩ(见图4)
1 kΩ(见图5)
100 Ω(见图6)


图3.RL = 开路齐纳二极管稳压器波形


图4.RL = 10 kΩ齐纳二极管稳压器波形


图5.RL = 1 kΩ齐纳二极管稳压器波形


图6.RL = 100 Ω齐纳二极管稳压器波形
步骤2
用5 kΩ电位计替换负载RL,并调节电位计以确定VL保持在齐纳电压VZ的10%以内的RL的最小值。测量并报告设置的电位计电阻。该阻值与RS的值有何关系?
进一步探索
使用步骤2所述的操作,利用示波器通道2测量RS中的电流,并在示波器XY模式下绘制齐纳二极管两端电压与电流的关系图,研究齐纳二极管的电流/电压特性曲线。务必调整水平电压范围和偏移,以将6.2 V击穿电压包括在内。讨论您的结果,尤其要讨论齐纳二极管与常规二极管的相似和不同之处。
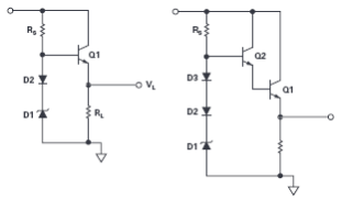
驱动更大负载电流
正如我们在图1的简单齐纳二极管稳压器中看到的那样,最大负载电流由电阻RS决定。另外,相对于最大电流,该电路在较小负载电流下的效率非常低,因为当负载中的电流较小时,额外电流会流入齐纳二极管。相对于如图2所示的稳压电路,增加一个射极跟随器或达林顿射极跟随电流放大器可以大大提高稳压电路的效率。
附加材料
两个NPN晶体管(2N3904和TIP31)
两个小信号二极管(1N914或类似元件)


图7.添加一个电流放大器级
指导
D1使用1N4735 6.2 V齐纳二极管,Q1使用2N3904或TIP31功率晶体管,在无焊面包板上构建图7所示的任一电路。Q2可以是2N3904,D2、D3可以是1N914。
增加二极管D2与齐纳二极管串联,用以部分抵消射极跟随器Q1引起的额外VBE压降。类似地,在达林顿配置中添加两个二极管(D2、D3),同样用来部分抵消达林顿跟随器的两个VBE压降。
烜芯微专业制造二极管,三极管,MOS管,桥堆等20年,工厂直销省20%,上万家电路电器生产企业选用,专业的工程师帮您稳定好每一批产品,如果您有遇到什么需要帮助解决的,可以点击右边的工程师,或者点击销售经理给您精准的报价以及产品介绍
烜芯微专业制造二极管,三极管,MOS管,桥堆等20年,工厂直销省20%,上万家电路电器生产企业选用,专业的工程师帮您稳定好每一批产品,如果您有遇到什么需要帮助解决的,可以点击右边的工程师,或者点击销售经理给您精准的报价以及产品介绍
- 上一篇:源表应用之二极管I-V特性分析介绍
- 下一篇:二极管整流电路知识介绍
相关阅读